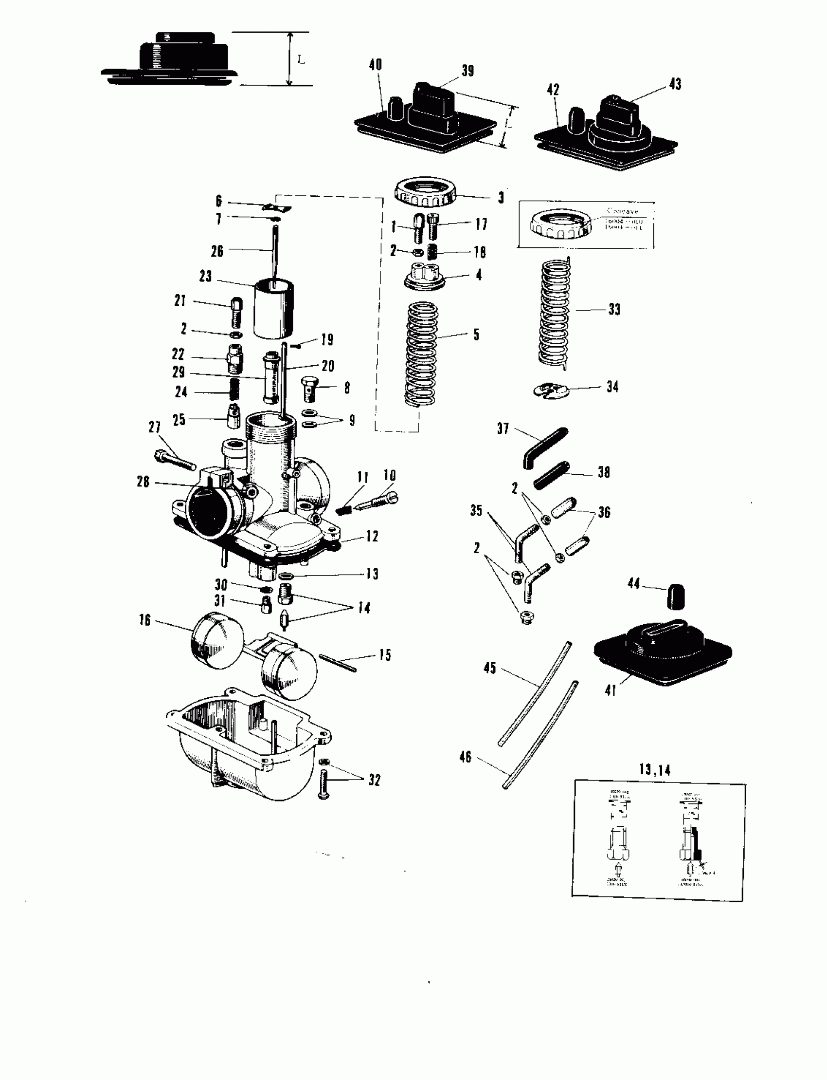
Kawasaki A1-B CARBURETOR VM22SC, VM26SC Diagram
#
Description
Price
8
BOLT BANJO
92001-014
Unavailable
9
UNAVAILABLE IN PRICE BOOK
751P0880
Unavailable
10
SCREW PILOT AIR ADJST
16014-003
Unavailable
11
SPRING,THROTTLE ADJST
16022-010
Unavailable
16
FLOAT
16031-004
Unavailable
26
JET NEEDLE 4J13
16009-012
Unavailable
28
NUT 6MM
311B0600
Unavailable
40
CAP CARBURETOR
14038-008
Unavailable
45
PIPE FUEL OVERFLOW
92059-031
Unavailable
