- Partiron
- OEM Parts
- Polaris
- ATV
- 2004
- A04CH68AK SPORTSMAN 700 - A04CH68AK/AL/AN/AO
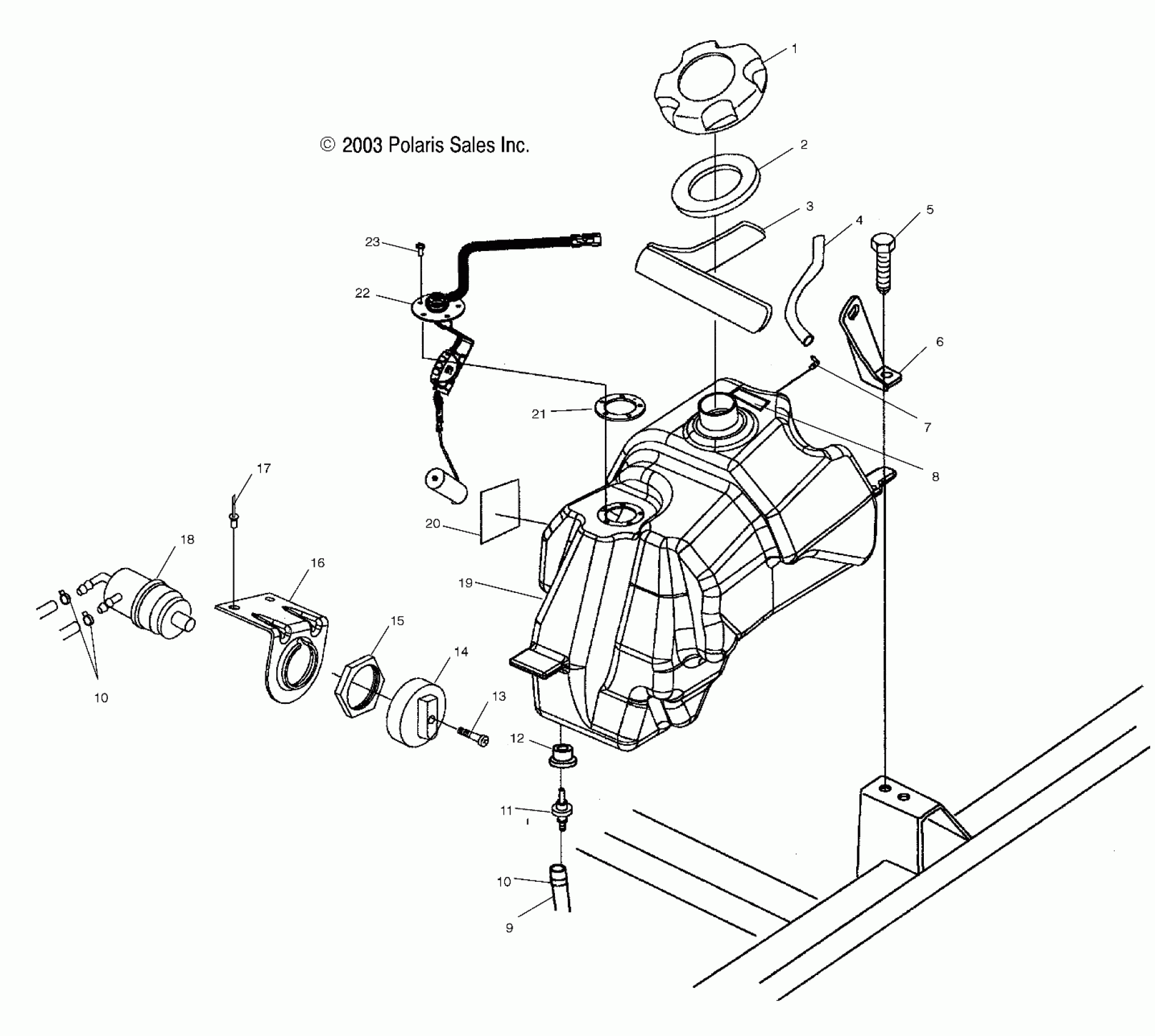
FUEL TANK - A04CH68AK/AL/AN/AO (4987318731A12)
Polaris A04CH68AK SPORTSMAN 700 - A04CH68AK/AL/AN/AO FUEL TANK - A04CH68AK/AL/AN/AO (4987318731A12) Diagram
#
Description
Price
4
LINE, FUEL
8360009-600
Unavailable
6
Bracket, Fuel Cover Mount, Rear, LH
5222154
Unavailable
6
Bracket, Fuel Cover Mount, Rear, RH
5222155
Unavailable
8
Foil, Tank
5812004
Unavailable
9
Hose, Fuel
8450103
Unavailable
15
Nut, Fuel Valve
5432733
Unavailable
16
Bracket, Fuel Valve
5247585
Unavailable
19
Asm., Fuel Tank w/Sender [Incl. 7,8,11,12,20-23]
2520339
Unavailable
22
Sender, Fuel
2410465
Unavailable
23
Screw
7512056
Unavailable
