- Partiron
- OEM Parts
- Polaris
- ATV
- 2004
- A04CH59AF SPORTSMAN 600 - A04CH59AF/AH/AJ/AT/AV
GEARCASE - A04CH59AF/AH/AJ/AT/AV (4986108610C13)
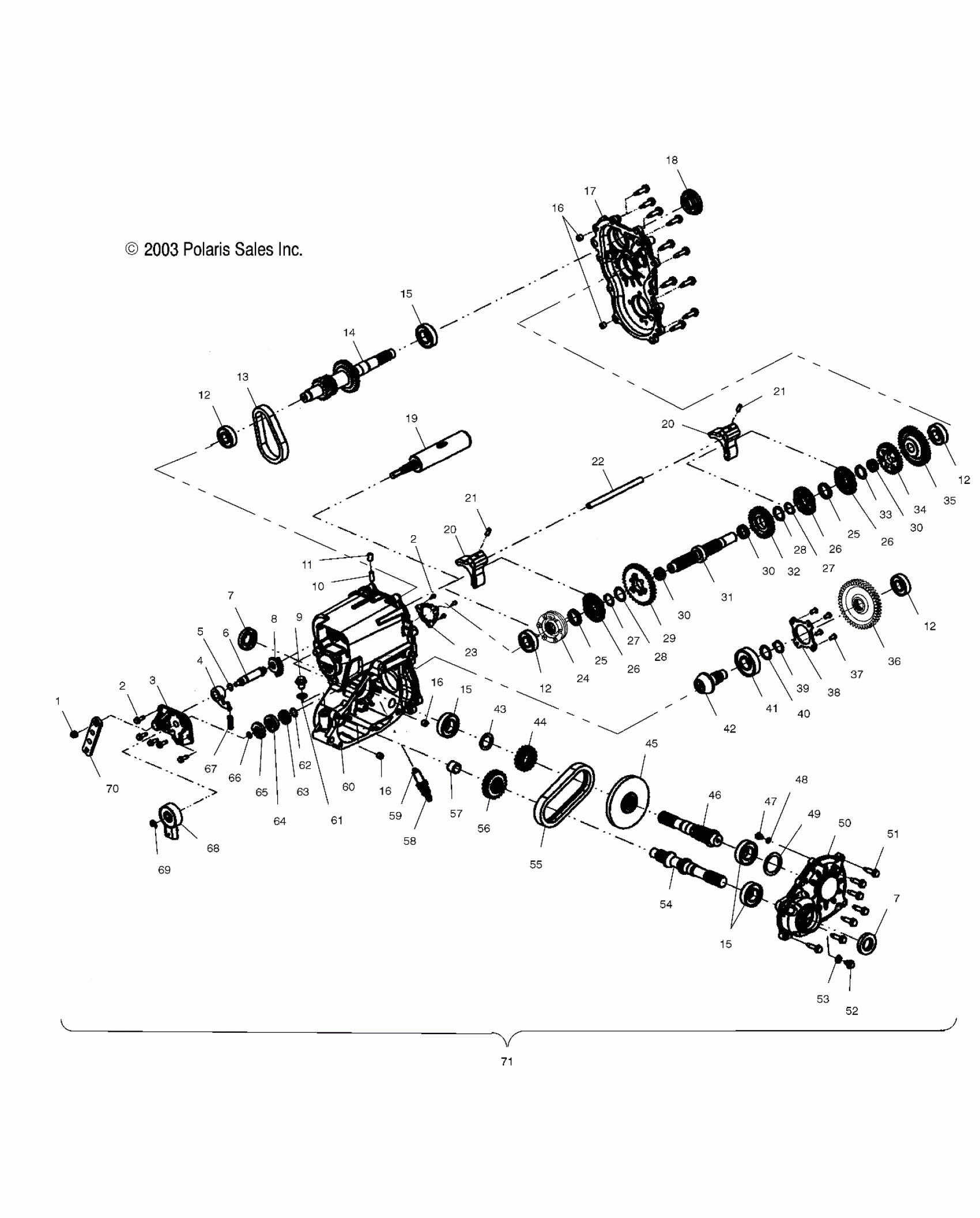
Polaris A04CH59AF SPORTSMAN 600 - A04CH59AF/AH/AJ/AT/AV GEARCASE - A04CH59AF/AH/AJ/AT/AV (4986108610C13) Diagram
#
Description
Price
9
Plug, Oil Fill
3233711
Unavailable
13
Chain, Silent
3233036
Unavailable
17
Cover, LH
3233865
Unavailable
19
Drum, Shift
3233910
Unavailable
20
Fork, Shift w/Pin [Incl. 21]
3234141
Unavailable
20
Fork, Shift w/Pin [Incl. 21]
3234141
Unavailable
21
Pin, Dowel
-------
Unavailable
21
Pin, Dowel
-------
Unavailable
34
Gear, 29T
3234011
Unavailable
35
Gear, 40T
3233913
Unavailable
58
Clamp, Tie
3234013
Unavailable
59
Lockout, Park
3233917
Unavailable
68
SWITCH
3233835
Unavailable
70
Bellcrank
3233906
Unavailable
71
Asm., Main Gearcase [Incl. All]
1341432
Unavailable
