- Partiron
- OEM Parts
- Polaris
- ATV
- 2004
- A04CH59AF SPORTSMAN 600 - A04CH59AF/AH/AJ/AT/AV
ENGINE MOUNTING - A04CH59AF/AH/AJ/AT/AV (4986108610A13)
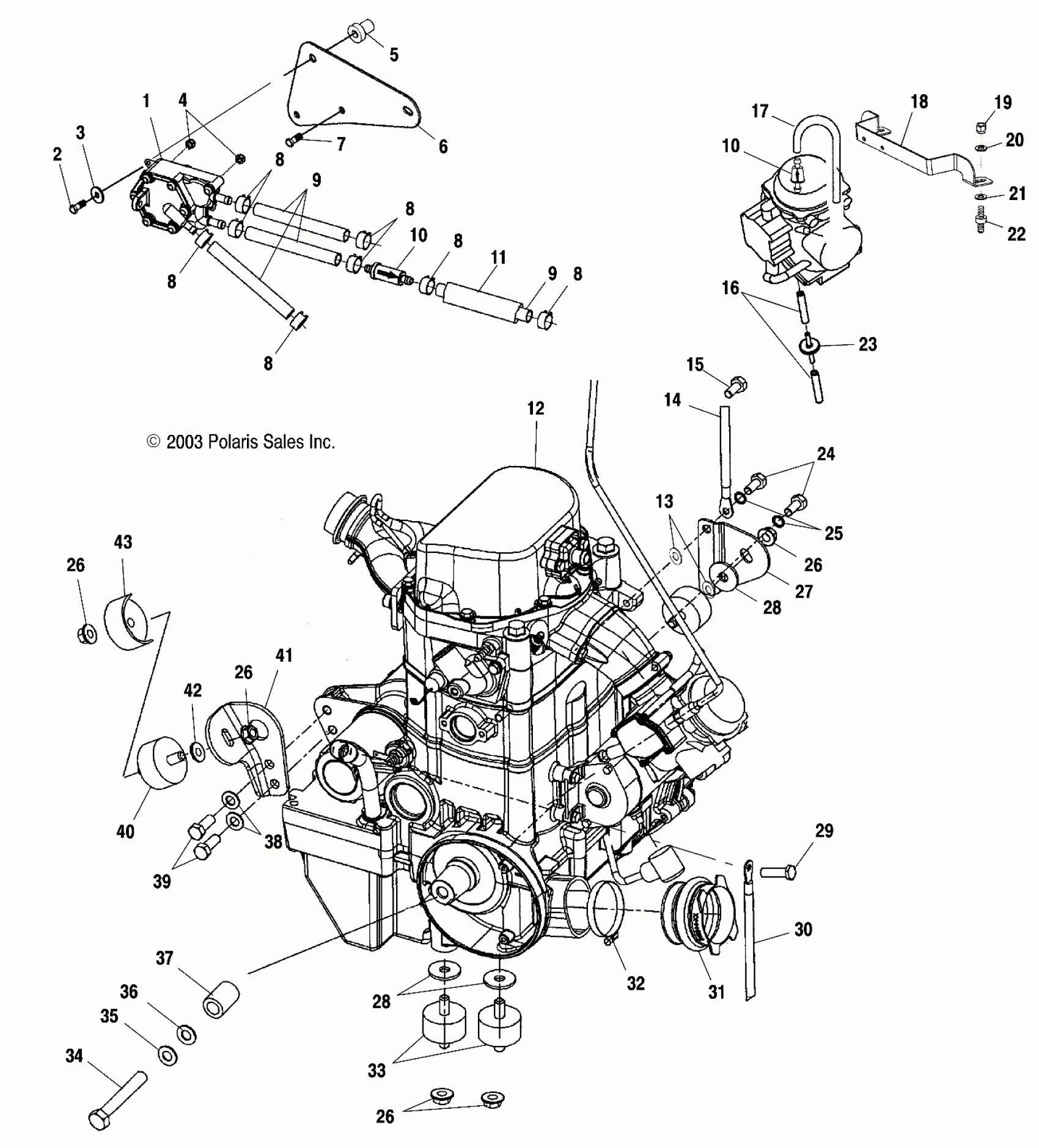
Polaris A04CH59AF SPORTSMAN 600 - A04CH59AF/AH/AJ/AT/AV ENGINE MOUNTING - A04CH59AF/AH/AJ/AT/AV (4986108610A13) Diagram
#
Description
Price
6
Strap, Fuel Pump Mounting
5243829
Unavailable
9
Line, Fuel
8450103-600
Unavailable
9
Line, Fuel
8450103-600
Unavailable
11
Sheath, Foil
8450080-50
Unavailable
12
Kit, Short Block, ATV NOTE: The Short Block assembly contains a crankcase assembly, cylinder & cylinder head assembly and a piston & crankshaft assembly. Prior authorization is required for warranty
2202361
Unavailable
13
WASHER
7555770
Unavailable
14
Cable, Ground, Engine
4010132
Unavailable
16
LINE, FUEL
8360009-600
Unavailable
18
Bracket, Carb Mount
5247141
Unavailable
23
VALVE, CHECK
7051011
Unavailable
27
Bracket, Mount, Top
5244622-067
Unavailable
30
Cable, Black
4010470
Unavailable
31
Boot, Intake
5411944
Unavailable
33
Mount, Rubber
3021119
Unavailable
34
Bolt
7518197
Unavailable
40
Mount, Rubber, Top
3110044
Unavailable
42
WASHER, FLAT
7555823
Unavailable
43
Bracket, Torque Stop
5245043-067
Unavailable
