- Partiron
- OEM Parts
- Polaris
- ATV
- 2004
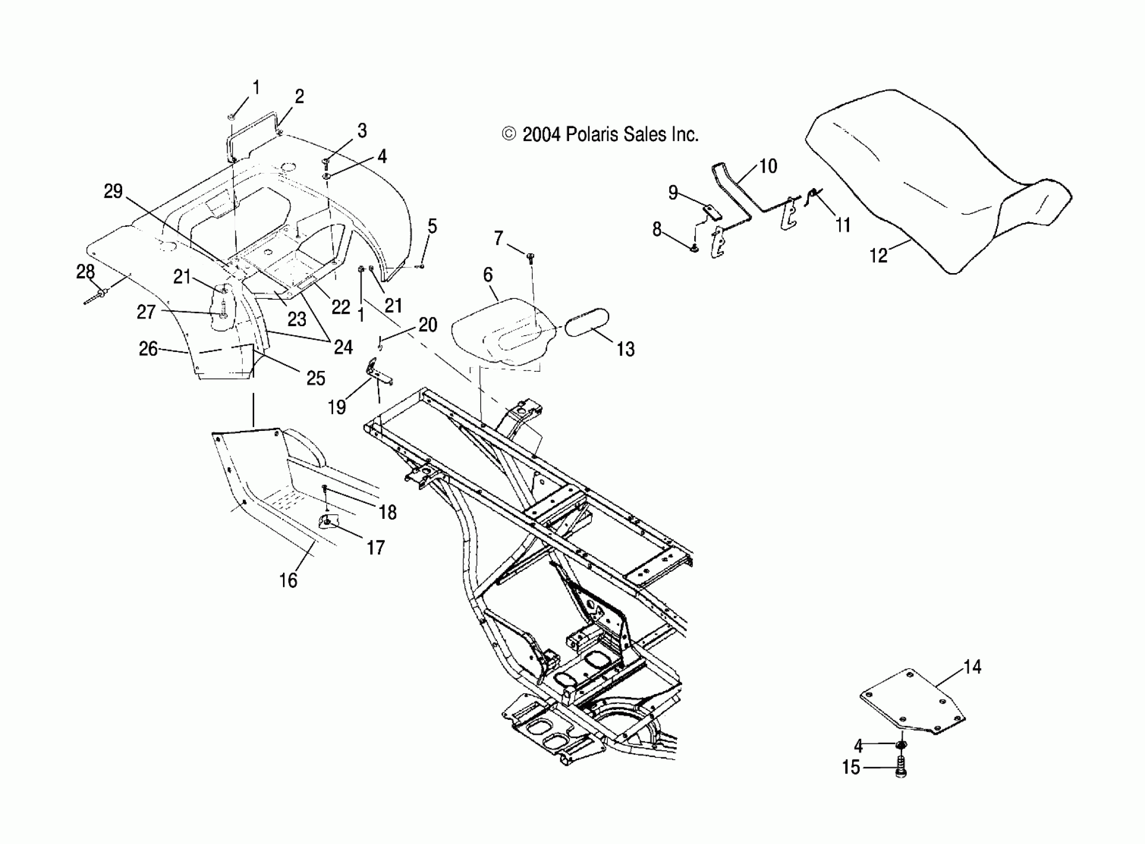
- A04CA32AA TRAIL BOSS 330 - A04CA32AA/AB/FA
REAR CAB and SEAT - A04CA32AA/AB/FA (4994839483A04)
Polaris A04CA32AA TRAIL BOSS 330 - A04CA32AA/AB/FA REAR CAB and SEAT - A04CA32AA/AB/FA (4994839483A04) Diagram
#
Description
Price
5
Screw
7512085
Unavailable
7
Screw
7517375
Unavailable
13
Cover, Tool Box
5431787
Unavailable
18
Screw
7517376
Unavailable
19
Mount, Cab, Rear
5245898
Unavailable
22
Decal, Carb/Filter Information
7170007
Unavailable
23
Foil
5811087
Unavailable
26
Cab, Rear, Sonic Blue Metallic [AA][FA]
5432117-341
Unavailable
26
Cab, Rear, Black [AB]
5432117-070
Unavailable
