- Partiron
- OEM Parts
- Polaris
- ATV
- 2004
- A04CA32AA TRAIL BOSS 330 - A04CA32AA/AB/FA
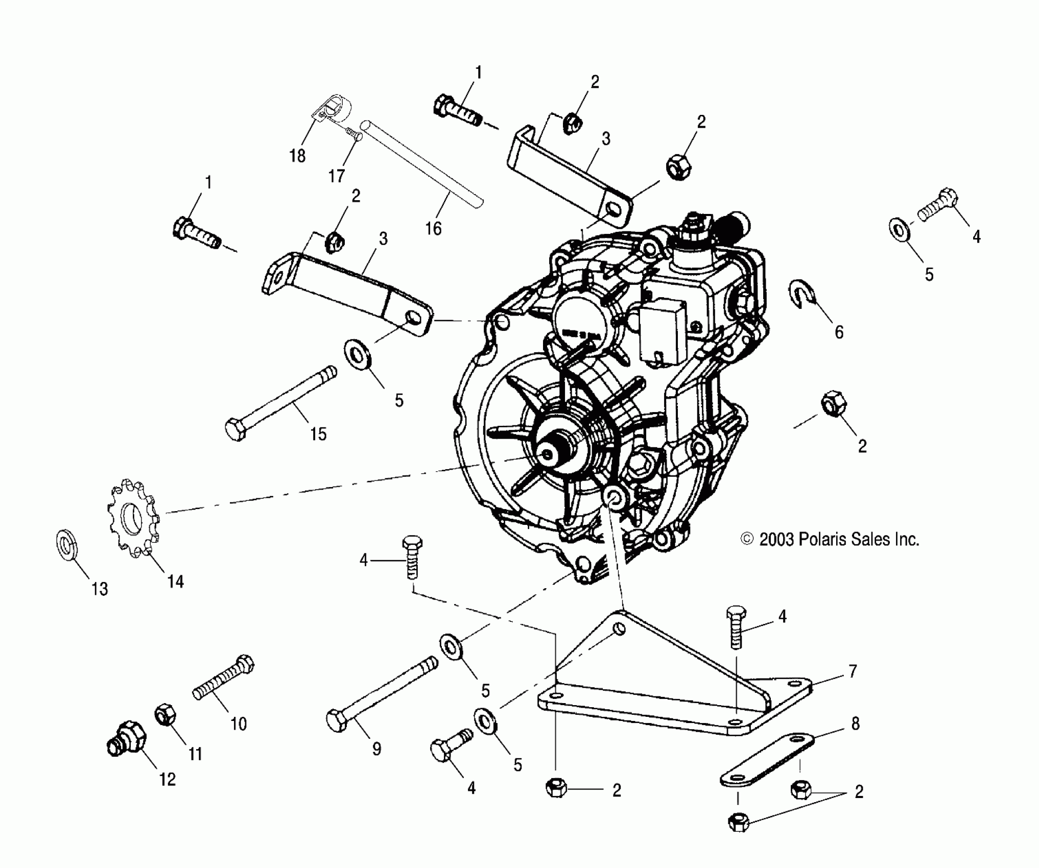
GEARCASE MOUNTING - A04CA32AA/AB/FA (4986248624C02)
Polaris A04CA32AA TRAIL BOSS 330 - A04CA32AA/AB/FA GEARCASE MOUNTING - A04CA32AA/AB/FA (4986248624C02) Diagram
#
Description
Price
3
Bracket, Transmission Mount
5242456-067
Unavailable
3
Bracket, Transmission Mount
5242456-067
Unavailable
6
Shim, .020
5210764
Unavailable
6
Shim, .010
5211065
Unavailable
6
Shim, .030
5211517
Unavailable
7
Mount, Transmission
1012886-067
Unavailable
11
Nut
7542440
Unavailable
12
PLUG, DRAIN [SEE GEARCASE PG. C4, REF. 35]
-------
Unavailable
16
Line, Fuel
8450003-1525
Unavailable
