- Partiron
- OEM Parts
- Polaris
- ATV
- 2004
- A04BG50AA SCRAMBLER 500 4X4 - A04BG50AA/FA
SWING ARM/SHOCK MOUNTING - A04BG50AA/FA (4986228622C07)
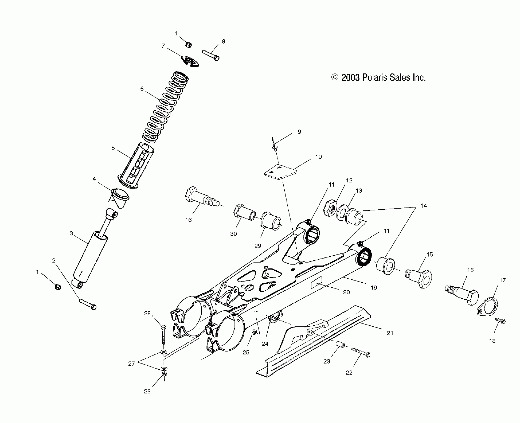
Polaris A04BG50AA SCRAMBLER 500 4X4 - A04BG50AA/FA SWING ARM/SHOCK MOUNTING - A04BG50AA/FA (4986228622C07) Diagram
#
Description
Price
3
Shock, Rear
7042142
Unavailable
5
Sleeve, Shock Protector (If built after 7/01/03)
5435273
Unavailable
6
Spring, Compression, Yellow
7042281-216
Unavailable
7
Retainer, Spring (If built after 7/01/03)
5631045
Unavailable
13
Washer, Flat
7556035
Unavailable
17
Bracket, Bolt Lock
5247488
Unavailable
19
Asm., Swing Arm [Incl. 11,14,29]
1541819-216
Unavailable
20
Decal, Chain Free Play
7078572
Unavailable
