- Partiron
- OEM Parts
- Polaris
- ATV
- 2004
- A04BG50AA SCRAMBLER 500 4X4 - A04BG50AA/FA
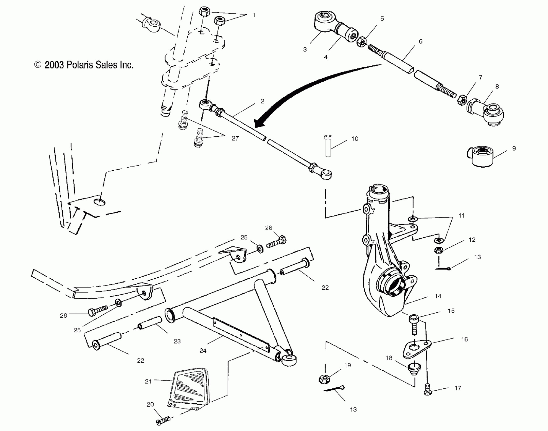
A-ARM/STRUT MOUNTING - A04BG50AA/FA (4986228622B04)
Polaris A04BG50AA SCRAMBLER 500 4X4 - A04BG50AA/FA A-ARM/STRUT MOUNTING - A04BG50AA/FA (4986228622B04) Diagram
#
Description
Price
2
Asm., Tie Rod [Incl. 3-8]
1820805
Unavailable
3
Boot, Seal, Rod End
5411291
Unavailable
8
Rod End, LH
7061054
Unavailable
9
Boot, Seal, Rod End
5411920
Unavailable
14
ASM., HUBSTRUT [SEE FRONT STRUT PG. B3, REF. 16]
-------
Unavailable
18
Boot, Rubber
5410548
Unavailable
21
Shield, CV Joint, LH
5431150-070
Unavailable
24
Kit, A-Frame, LH
2202284-216
Unavailable
24
Kit, A-Frame, RH
2202285-216
Unavailable
