- Partiron
- OEM Parts
- KTM
- Street
- Supermoto
- Supermoto / Dual Sport
- SM Big
- 990 Supermoto R
- 990 Supermoto R 2012
- 990 SUPERMOTO R 2012
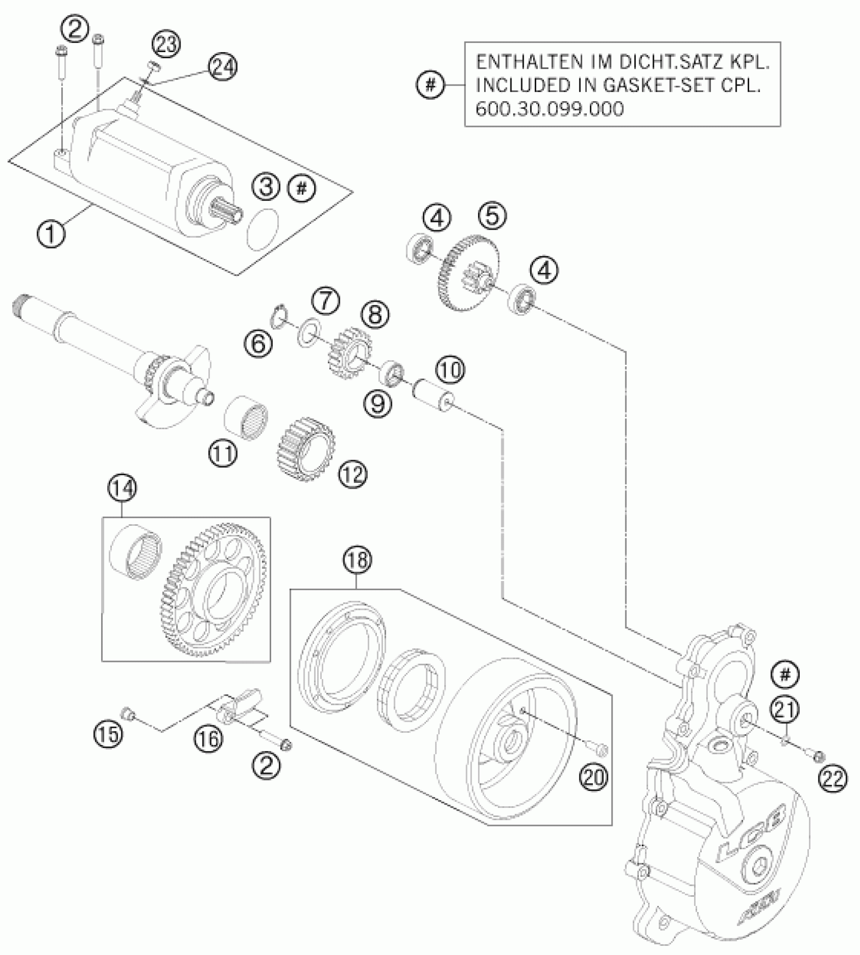
ELECTRIC STARTER
KTM 990 SUPERMOTO R 2012 ELECTRIC STARTER Diagram
#
Description
Price
ELECTRIC STARTER
#
Edit ride
