990 ADVENTURE BAJA 2013
DIAGNOSTIC TOOL
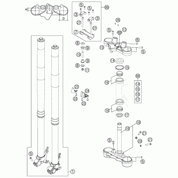
FRONT FORK, TRIPLE CLAMP
WP SHIMS FOR SETTING
FRAME
SIDE / CENTER STAND
SHOCK ABSORBER
AIR FILTER
FUEL PUMP
FRONT WHEEL
REAR WHEEL
WIRING HARNESS
BATTERY
FRONT FORK DISASSEMBLED
HANDLEBAR, CONTROLS
SWING ARM
EXHAUST SYSTEM
TANK, SEAT
MASK, FENDERS
DECAL
FRONT BRAKE CONTROL
REAR BRAKE CONTROL
FRONT BRAKE CALIPER
REAR BRAKE CALIPER
LIGHTING SYSTEM
INSTRUMENTS / LOCK SYSTEM
EVAPORATIVE CANISTER
ACCESSORY PACK
ENGINE CASE
CLUTCH COVER
BALANCER SHAFT
CYLINDER
CRANKSHAFT, PISTON
CLUTCH
TRANSMISSION I - MAIN SHAFT
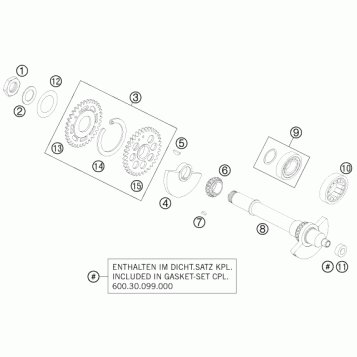
TRANSMISSION II - COUNTERSHAFT
WATER PUMP
COOLING SYSTEM
VALVE DRIVE
TIMING DRIVE
CYLINDER HEAD REAR
CYLINDER HEAD FRONT
IGNITION SYSTEM
ELECTRIC STARTER
THROTTLE BODY
SECONDARY AIR SYSTEM SAS
SHIFTING MECHANISM
LUBRICATING SYSTEM
Fuel Your Passion
Parts That Keep You Riding
Edit ride