- Partiron
- OEM Parts
- KTM
- Street
- Supermoto
- Supermoto / Dual Sport
- SM Big
- 950 Supermoto
- 950 Supermoto 2005
- 950 SUPERMOTO BLACK 2005
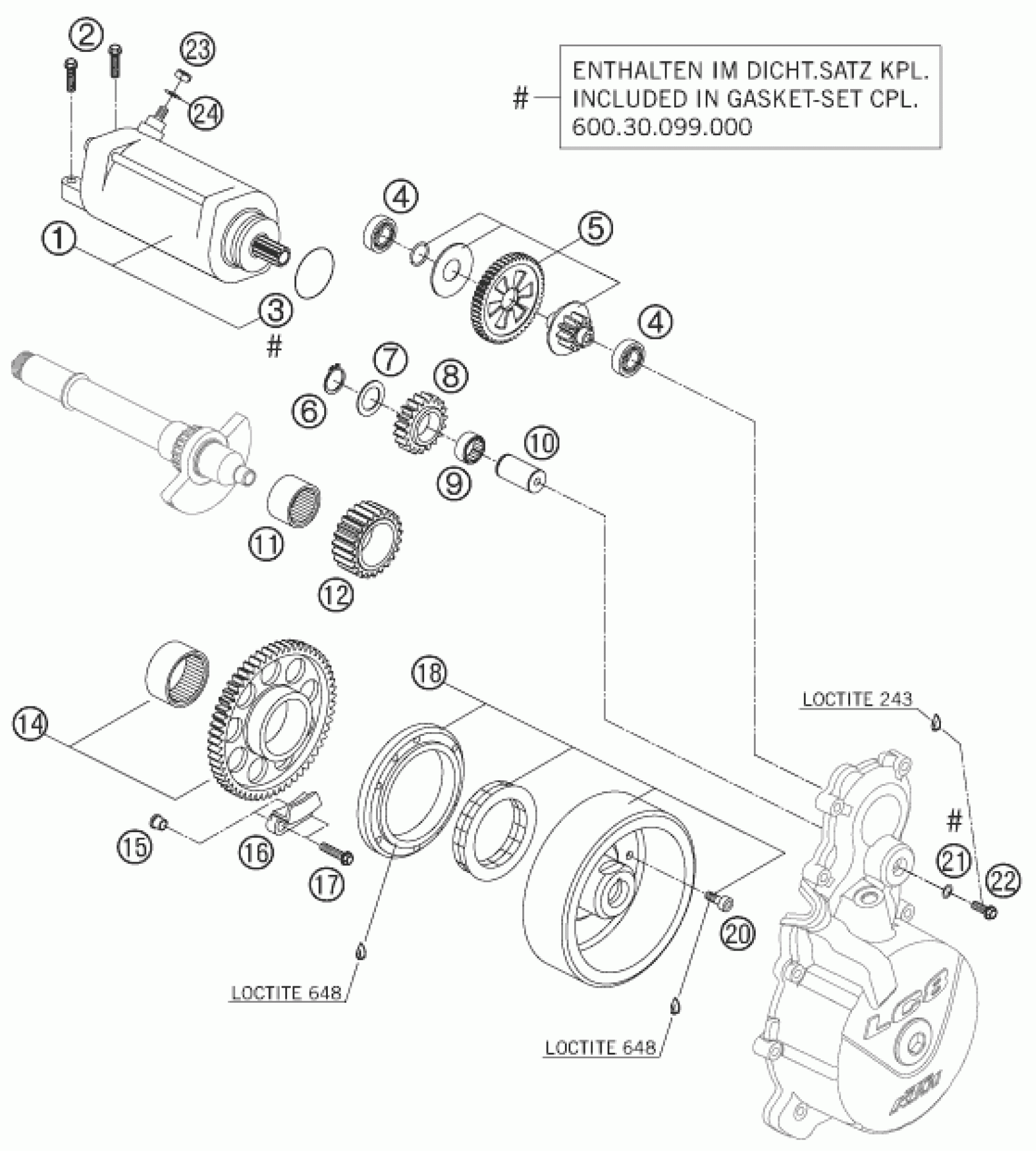
ELECTRIC STARTER
KTM 950 SUPERMOTO BLACK 2005 ELECTRIC STARTER Diagram
#
Description
Price
10
BEARING BOLT 17X33 03
60040023000
Unavailable
