Partiron

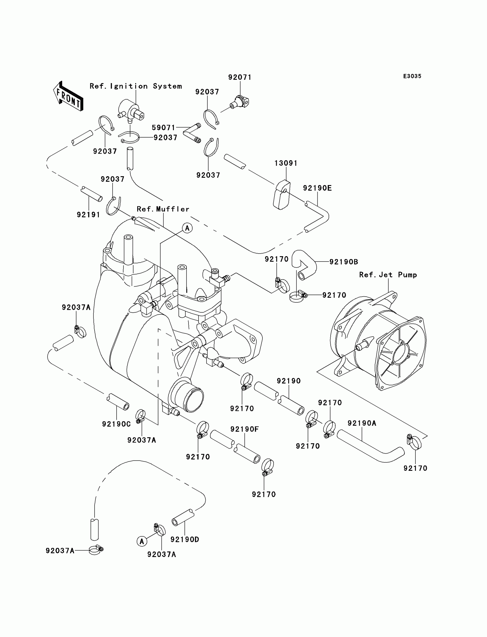
Kawasaki 900 ZXi Cooling Diagram

#

Description
Price

13091

HOLDER

13091-3712

$4.65

59071

JOINT

59071-3736

$12.96

92037

CLAMP

92037-1173

$3.49

92037A

CLAMP

92037-3726

$3.98

92071

GROMMET

92071-3806

$5.46

92170

CLAMP

92170-3718

$13.67

92190

TUBE,MANIFOLD-HULL

92190-3953

$43.37

92190A

TUBE,PUMP-HULL

92190-3954

Unavailable

92190B

TUBE,HEAD-EXHAUSTPIPE

92190-3955

$14.14

92190C

TUBE,MANIFOLD-COVER

92190-3974

$19.48

92190D

TUBE,COVER-CHAMBER

92190-3975

$13.47

92190E

TUBE,"RETURN",7X12X750

92190-3985

$9.39

92190F

TUBE,CHAMBER-TAIL PIPE

92190-3998

$81.77

92191

TUBE,EXHAUST PIPE-SENSOR

92191-3802

$7.68