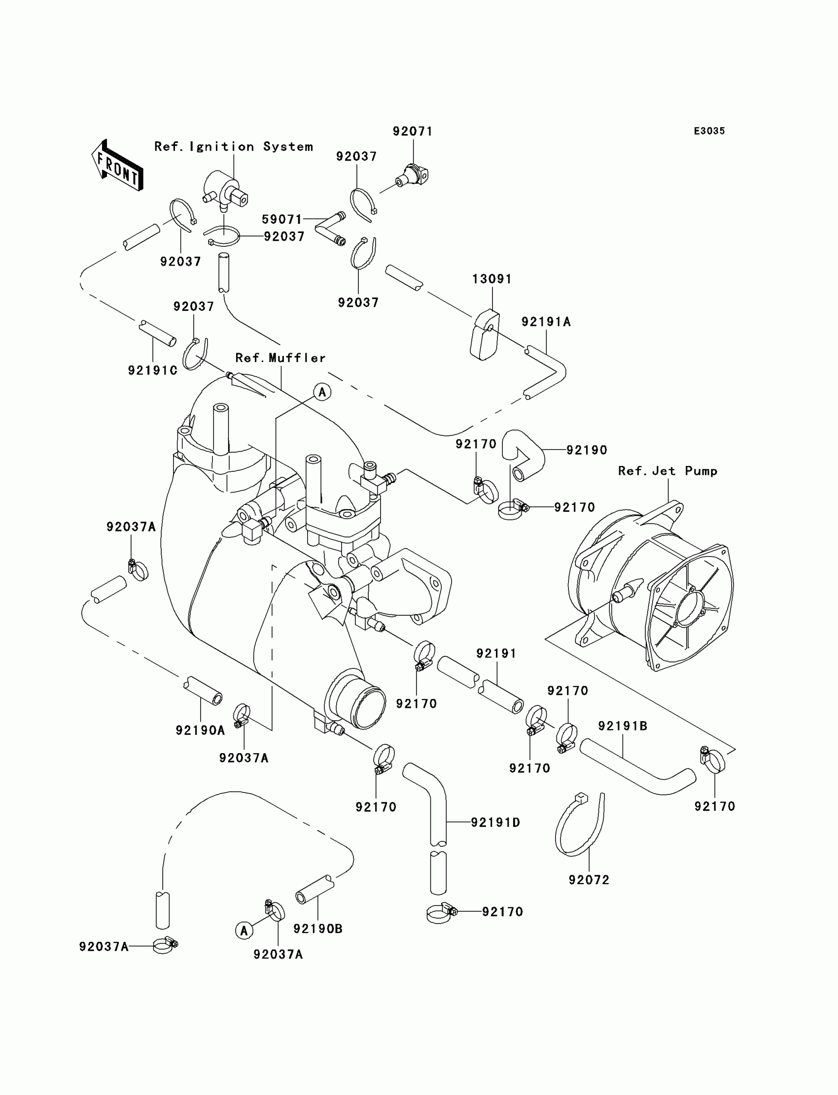
Partiron

Kawasaki 900 STS Cooling Diagram

#

Description
Price

13091

HOLDER

13091-3712

$4.65

59071

JOINT

59071-3736

$12.96

92037

CLAMP

92037-1173

$3.49

92037A

CLAMP

92037-3726

$3.98

92071

GROMMET

92071-3815

$5.46

92072

BAND,L=201

92072-3778

$1.84

92170

CLAMP

92170-3718

$13.67

92190

TUBE,HEAD-EXHAUSTPIPE

92190-3955

$14.14

92190A

TUBE,MANIFOLD-COVER

92190-3974

$19.48

92190B

TUBE,COVER-CHAMBER

92190-3975

$13.47

92191

TUBE,EXHAUSTMANIFOLD-HULL

92191-3745

$59.28

92191A

TUBE,SENSOR-DECK

92191-3748

$19.58

92191B

TUBE,PUMP-HULL

92191-3785

$25.97

92191C

TUBE,EXHAUST PIPE-SENSOR

92191-3803

$5.32

92191D

TUBE,CHAMBER-TAIL PIPE

92191-3850

$73.55