- Partiron
- OEM Parts
- KTM
- Street
- Naked Bike
- Naked
- Naked Mid
- 890 Duke R
- 890 Duke R 2020
- 890 Duke R 2020
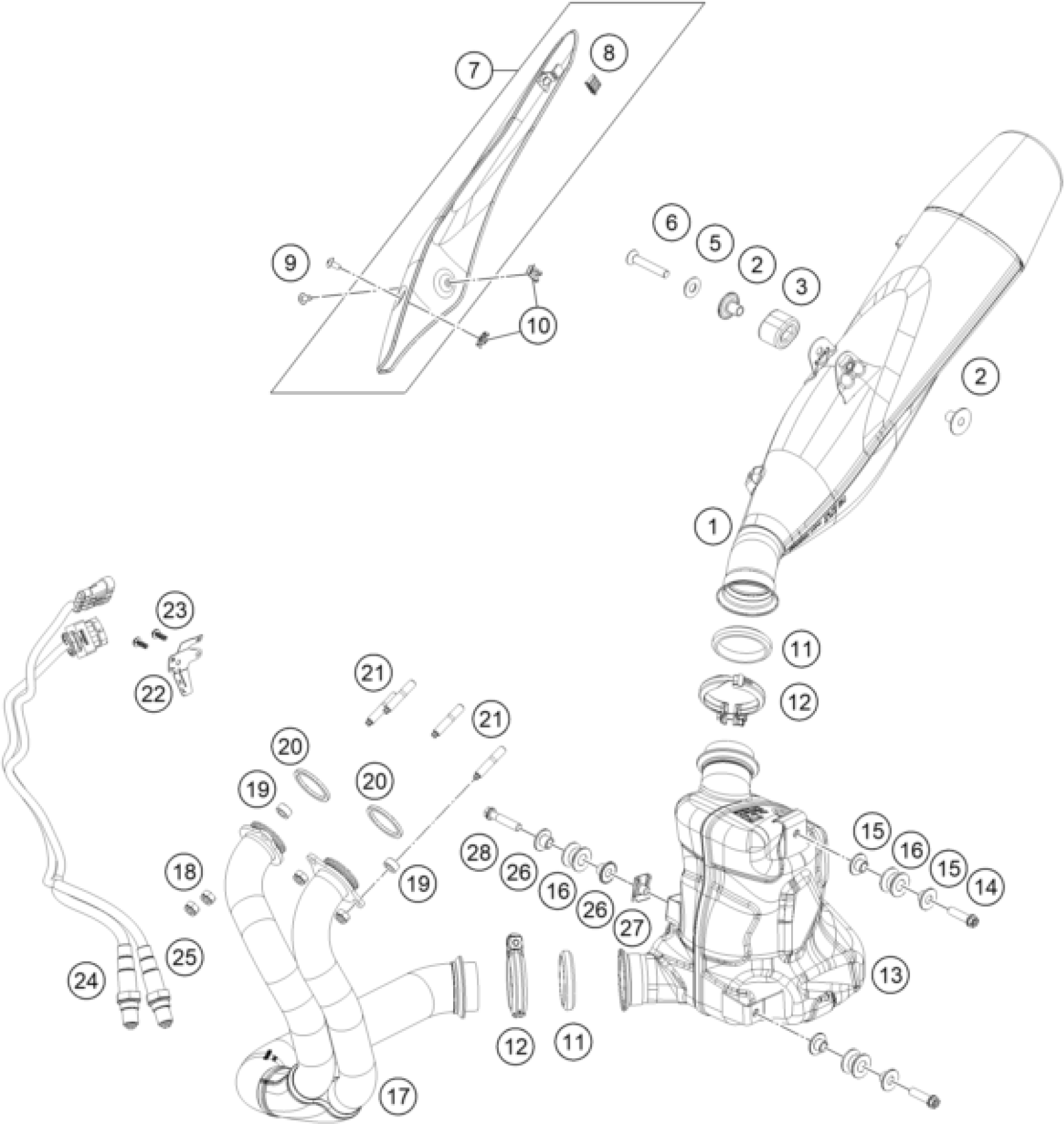
EXHAUST SYSTEM
KTM 890 Duke R 2020 EXHAUST SYSTEM Diagram
#
Description
Price
1
Silencer
64105183000
Unavailable
