- Partiron
- OEM Parts
- KTM
- Street
- Naked Bike
- Naked
- Naked Mid
- 790 Duke
- 790 Duke 2021
- 790 DUKE, orange 2021
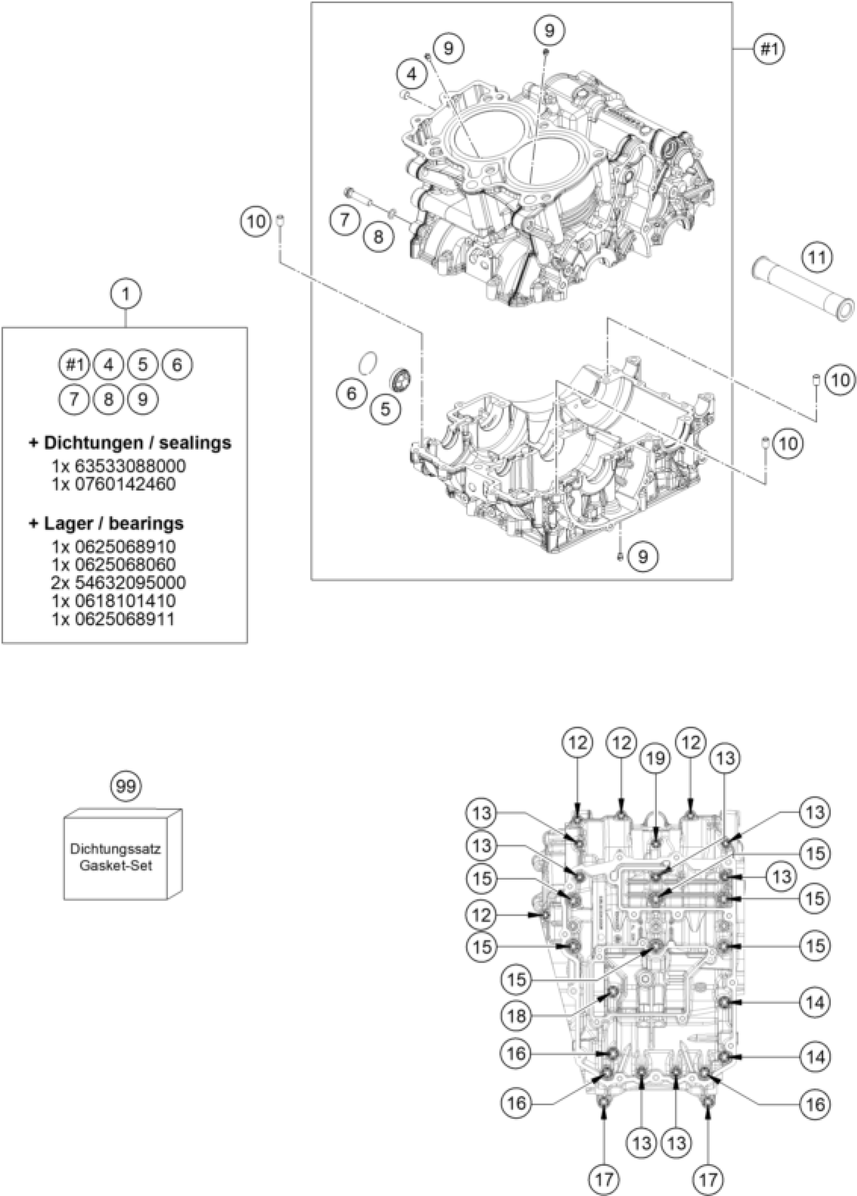
ENGINE CASE
KTM 790 DUKE, orange 2021 ENGINE CASE Diagram
#
Description
Price
ENGINE CASE
#
Edit ride
