- Partiron
- OEM Parts
- KTM
- Street
- Supermoto
- Supermoto / Dual Sport
- SM Mid
- 690 SMC
- 690 SMC 2011
- 690 SMC 2011
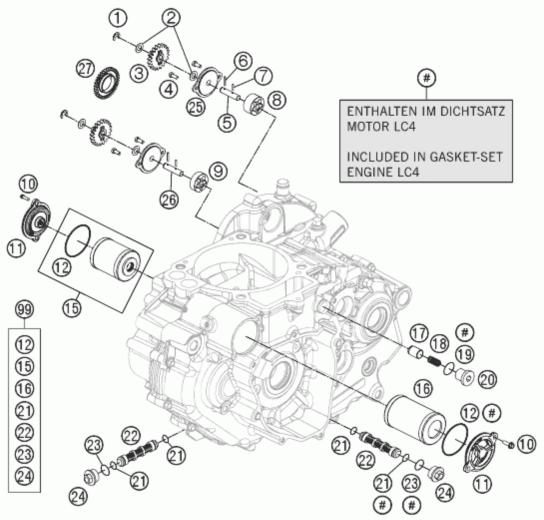
LUBRICATING SYSTEM
KTM 690 SMC 2011 LUBRICATING SYSTEM Diagram
#
Description
Price
99
OILFILTER SERVICE KIT 09-11
00050000069
Unavailable
