- Partiron
- OEM Parts
- KTM
- Street
- Supermoto
- Supermoto / Dual Sport
- SM Mid
- LC4 Supermoto
- 660 Supermoto Factory Repl. 03
- 660 SUPERMOTO FACTORY REPL. 03 <2003>
CYLINDER, CYLINDER HEAD
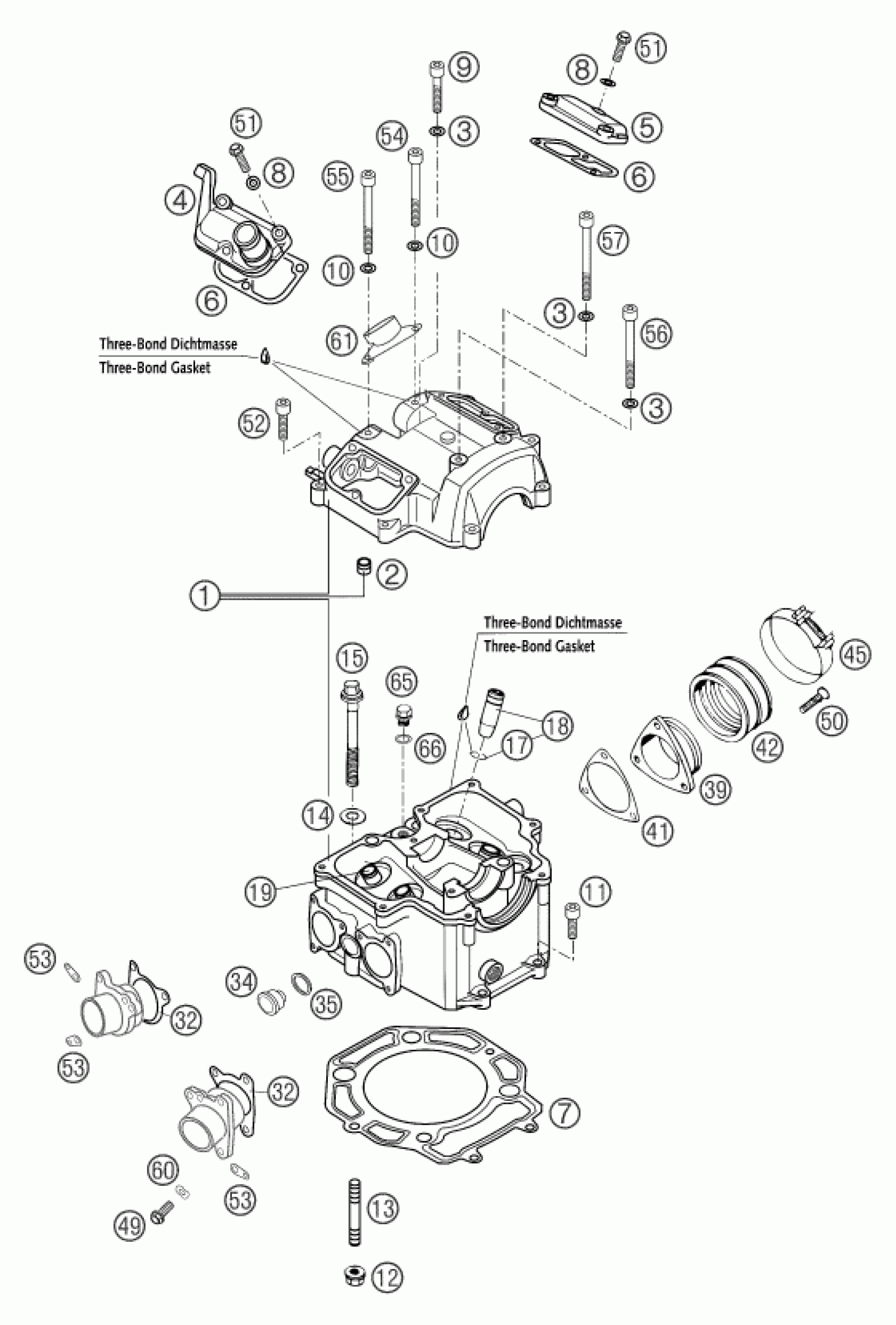
KTM 660 SUPERMOTO FACTORY REPL. 03 <2003> CYLINDER, CYLINDER HEAD Diagram
#
Description
Price
1
% CYLINDER HEAD CPL. SMS
57336020000
Unavailable
7
CYLINDER HEAD GASKET D=102 01
58530036100
Unavailable
39
INTAKE FLANGE D=43MM 2001
58536042000
Unavailable
41
INTAKE FLANGE GASKET 2001
58536043000
Unavailable
52
AH SCREW DIN0912-M 6X25
0912060253
Unavailable
61
STICK COIL HOLDER 2001
58539010000
Unavailable
