- Partiron
- OEM Parts
- KTM
- Offroad
- Enduro
- Enduro / Dualsport
- Enduro Mid
- LC4 Enduro
- 640 LC4 Enduro Orange 2006
- 640 LC4 ENDURO ORANGE 2006
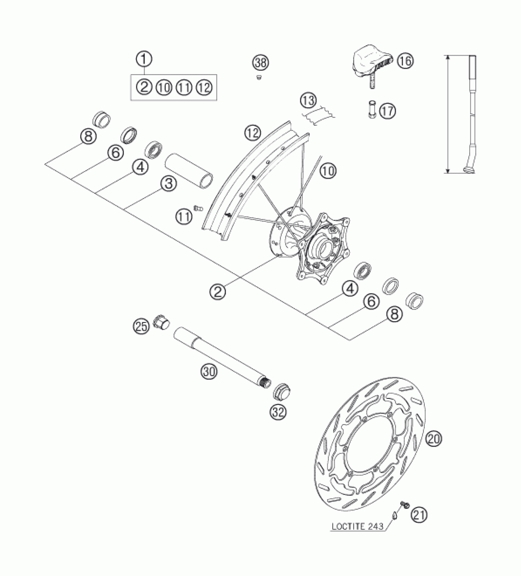
FRONT WHEEL
KTM 640 LC4 ENDURO ORANGE 2006 FRONT WHEEL Diagram
#
Description
Price
1
FRONT WHEEL CPL. 1,60X21'' 0
58409101044
Unavailable
2
FRONT HUB CPL. SILVER 06
5480901024491
Unavailable
8
SPACER BUSHING FRONT WHEEL 06
58409012000
Unavailable
10
SPOKE M4,5X228-15G 21'' DDE
50309071228
Unavailable
16
RIM LOCK VM1 (1,60'')
51009100100
Unavailable
17
NUT FOR WHEEL HOLDER '96
50310090050
Unavailable
