640 LC4-E S.MOTO PRESTIGE 2000
Special tools (engine)
FRONT FORK, TRIPLE CLAMP
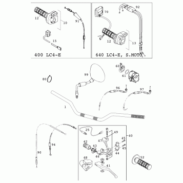
HANDLEBAR, CONTROLS
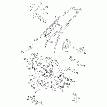
FRAME
SIDE / CENTER STAND
SHOCK ABSORBER
PRO LEVER LINKING
SWING ARM
EXHAUST SYSTEM
AIR FILTER
TANK, SEAT
MASK, FENDERS
DECAL
FRONT WHEEL
REAR WHEEL
WIRING HARNESS
ACCESSORIES
FRONT BRAKE CONTROL
REAR BRAKE CONTROL
FRONT BRAKE CALIPER
REAR BRAKE CALIPER
LIGHTING SYSTEM
INSTRUMENTS / LOCK SYSTEM
Other
BALANCER SHAFT
TRANSMISSION I - MAIN SHAFT
SHIFTING MECHANISM
WATER PUMP
VALVE DRIVE
ENGINE CASE
CYLINDER
CYLINDER, CYLINDER HEAD
CRANKSHAFT, PISTON
ENGINE VENT
CARBURETOR
ELECTRONIC POWER CONTROL EPC
CLUTCH
TRANSMISSION II - COUNTERSHAFT
KICK STARTER
COOLING SYSTEM
TIMING DRIVE
CYLINDER HEAD
LUBRICATING SYSTEM
IGNITION SYSTEM
ELECTRIC STARTER
Fuel Your Passion
Parts That Keep You Riding
Edit ride