- Partiron
- OEM Parts
- KTM
- Offroad
- Enduro
- Enduro / Dualsport
- Enduro Mid
- LC4 Enduro
- 640 LC 4 E Orange 18L 2002
- 640 LC 4-E ORANGE 18L 2002
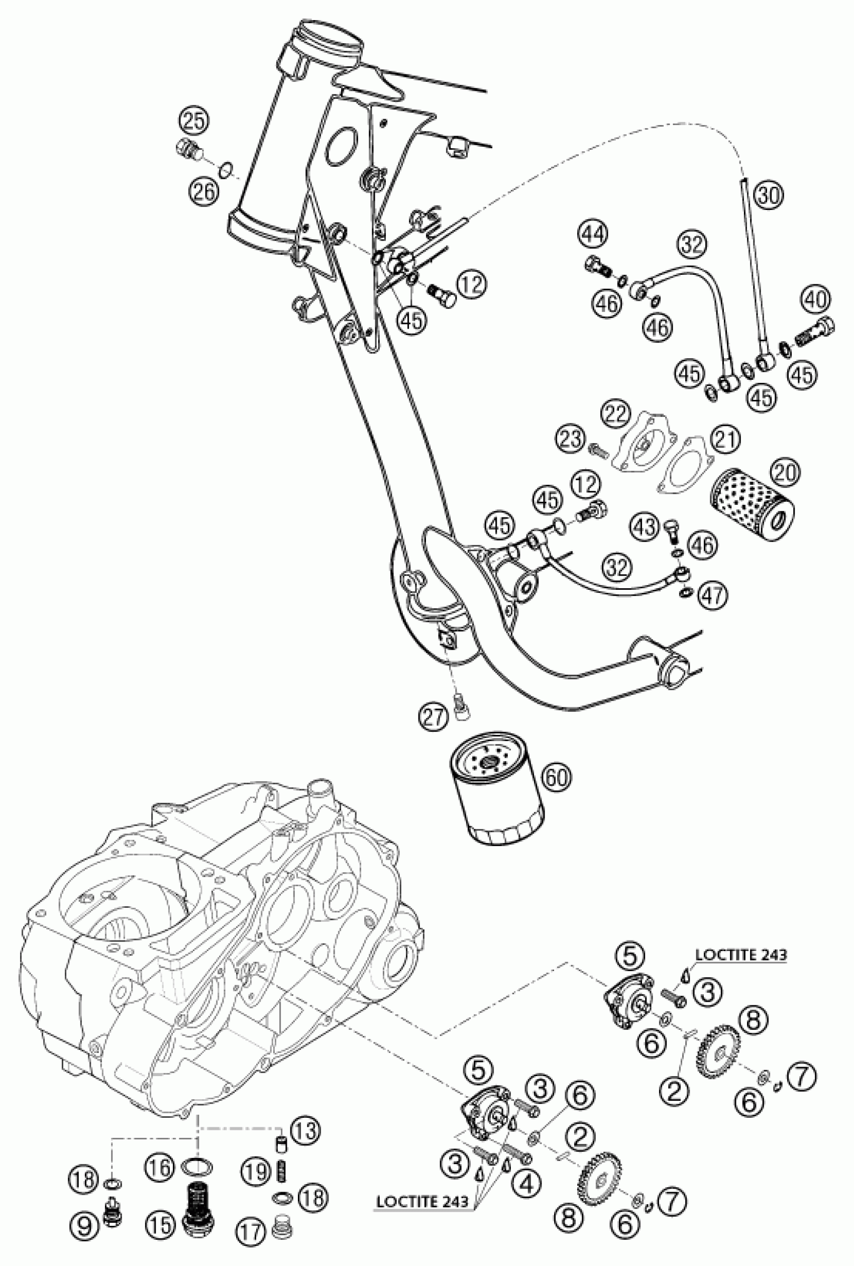
LUBRICATING SYSTEM
KTM 640 LC 4-E ORANGE 18L 2002 LUBRICATING SYSTEM Diagram
#
Description
Price
20
OIL FILTER LONG
58038005000
Unavailable
