- Partiron
- OEM Parts
- KTM
- Offroad
- Enduro
- Enduro / Dualsport
- Enduro Mid
- LC4 Enduro
- 620 SUP-COMP WP 1997
- 620 SUP-COMP WP <1997>
LUBRICATING SYSTEM
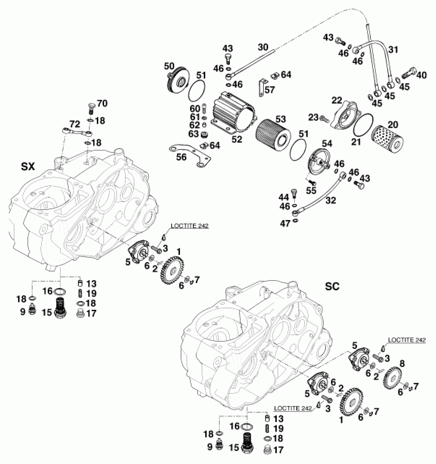
KTM 620 SUP-COMP WP <1997> LUBRICATING SYSTEM Diagram
#
Description
Price
5
OIL PUMP MIKUNI G-73 LC4'
58038007100
Unavailable
20
OIL FILTER LONG
58038005000
Unavailable
22
FILTER COVER M10x1
58030008600
Unavailable
45
CU-SEAL RING DIN7603-10X14X1
58038032010
Unavailable
46
CU-SEAL RING DIN7603- 8X12X1
58038032000
Unavailable
52
% MICRO FILTER HOUSING
58038043000
Unavailable
57
BRACKET MICRO-FILTER '93
57538091000
Unavailable
70
* BANJO BOLT M12 X 1,5 DIN7643
57538030000
Unavailable
72
OIL LINE CRANKCASE/TRANSMISSI.
57538135000
Unavailable
