620 SC Super-moto 2000
Special tools (engine)
FRONT FORK, TRIPLE CLAMP
FRONT FORK DISASSEMBLED
HANDLEBAR, CONTROLS
FRAME
SIDE / CENTER STAND
SHOCK ABSORBER
PRO LEVER LINKING
SWING ARM
EXHAUST SYSTEM
AIR FILTER
TANK, SEAT
MASK, FENDERS
DECAL
FRONT WHEEL
REAR WHEEL
WIRING HARNESS
ACCESSORIES
FRONT BRAKE CONTROL
REAR BRAKE CONTROL
FRONT BRAKE CALIPER
REAR BRAKE CALIPER
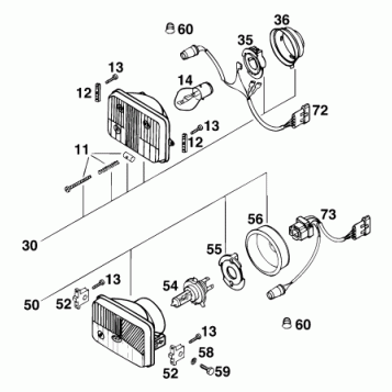
LIGHTING SYSTEM
INSTRUMENTS / LOCK SYSTEM
ENGINE CASE
BALANCER SHAFT
CYLINDER
CRANKSHAFT, PISTON
ENGINE VENT
CARBURETOR
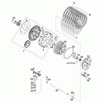
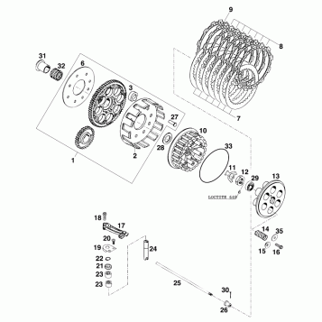
CLUTCH
TRANSMISSION I - MAIN SHAFT
TRANSMISSION II - COUNTERSHAFT
KICK STARTER
SHIFTING MECHANISM
WATER PUMP
COOLING SYSTEM
VALVE DRIVE
TIMING DRIVE
CYLINDER HEAD
CYLINDER HEAD REAR
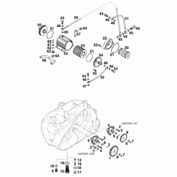
LUBRICATING SYSTEM
IGNITION SYSTEM
Fuel Your Passion
Parts That Keep You Riding
Edit ride