- Partiron
- OEM Parts
- KTM
- Offroad
- Enduro
- Enduro / Dualsport
- Enduro Mid
- LC4 Enduro
- 620 RXC-E 1995
- 620 RXC-E <1995>
TIMING DRIVE
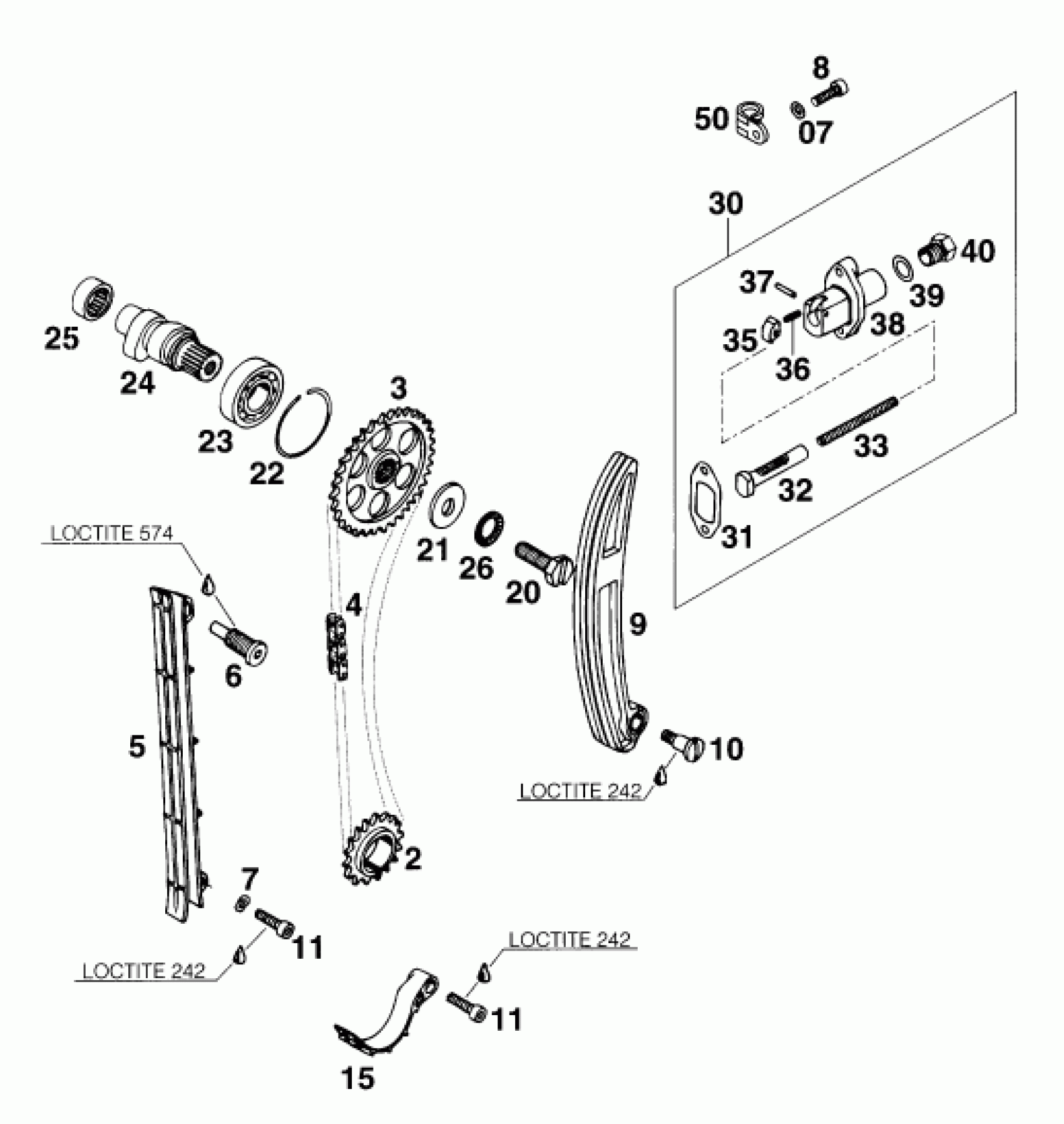
KTM 620 RXC-E <1995> TIMING DRIVE Diagram
#
Description
Price
3
CAMSHAFT GEAR 34-T
58036011000
Unavailable
4
TIMING CHAIN C107C / 96 LINKS
57536013000
Unavailable
7
SPRING WASHER DIN0137-B 6
0137060000
Unavailable
7
CU-SEAL RING 6 X 10 X 1
58036065000
Unavailable
24
CAMSHAFT 249 600/612/620
58036010000
Unavailable
38
TENSIONER CASE
58036003100
Unavailable
50
* BRACKET FOR IGNITION WIRE
58038339000
Unavailable
51
* RUBBER SLEEVE (DIAMETER 10MM
31011027000
Unavailable
