- Partiron
- OEM Parts
- KTM
- Offroad
- Enduro
- Enduro / Dualsport
- Enduro Mid
- LC4 Enduro
- 620 EGS Wp 37Kw 20Lt Viol 1995
- 620 EGS WP 37KW 20LT VIOL '95 <1995>
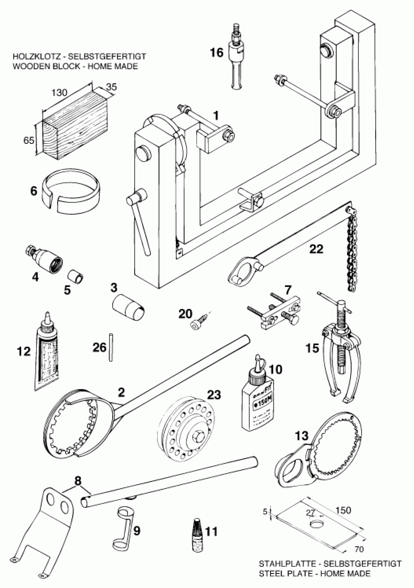
Special tools (engine)
KTM 620 EGS WP 37KW 20LT VIOL '95 <1995> Special tools (engine) Diagram
#
Description
Price
6
PISTON RING COMPRESSOR D=90MM
58012015090
Unavailable
7
EXTRACTOR
58012021000
Unavailable
9
PUSH INSERT
6276470
Unavailable
10
* OMNIFIT 150 M
309043
Unavailable
11
LOCTITE 243 BLUE 5 ML
6899785
Unavailable
12
* LOCTITE RED
6899784
Unavailable
