- Partiron
- OEM Parts
- KTM
- Offroad
- Enduro
- Enduro / Dualsport
- Enduro Mid
- LC4 Enduro
- 620 E-Xc 20Kw/20Lt1994
- 620 E-XC 20KW/20lt '94 <1994>
WIRING HARNESS
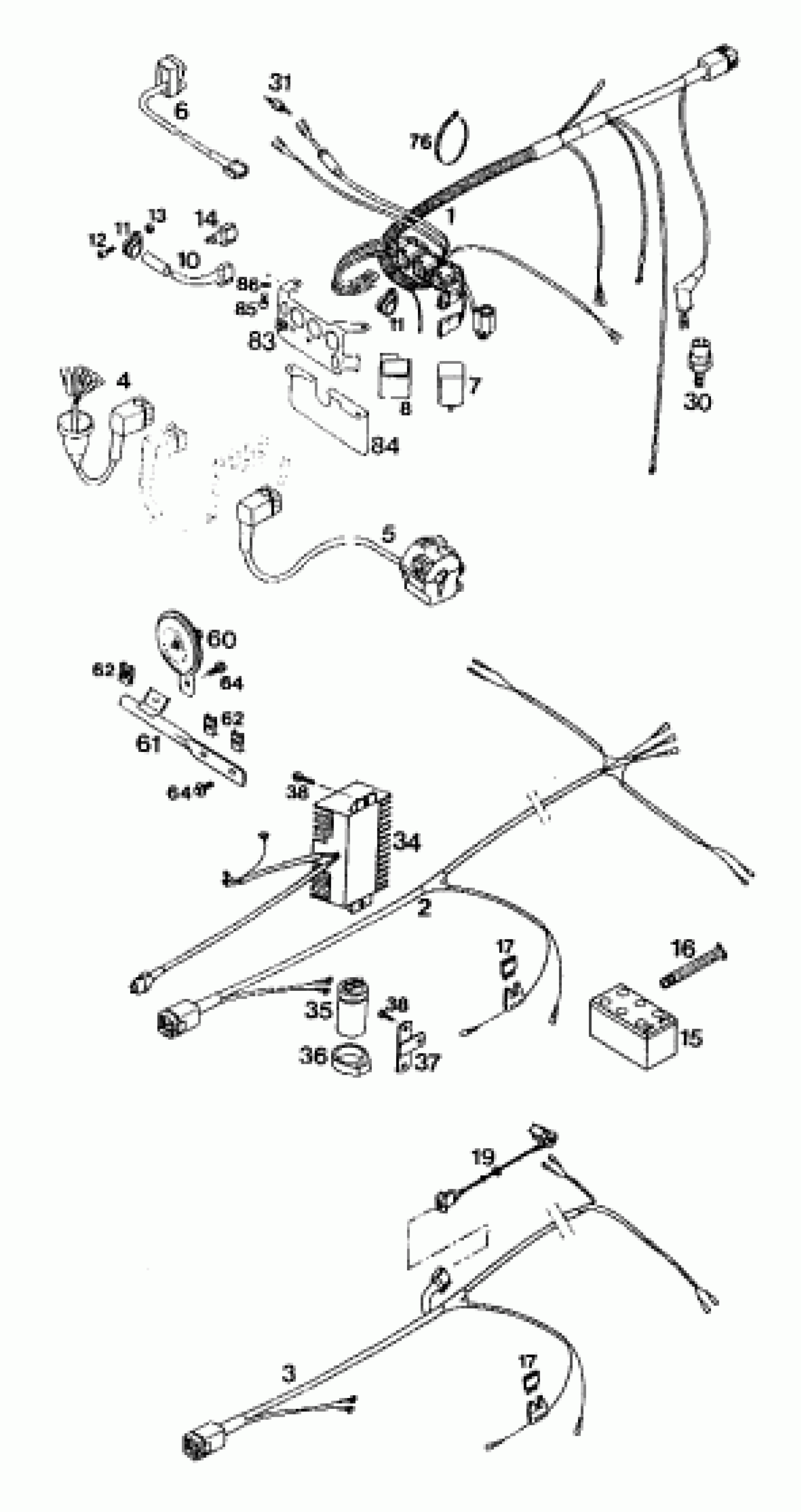
KTM 620 E-XC 20KW/20lt '94 <1994> WIRING HARNESS Diagram
#
Description
Price
0
Cable tie 200/4.6mm black
44011076200
Unavailable
0
CABLE TIE 300/4,8MM BLACK
44011076305
Unavailable
1
MAIN WIRING HARNESS EXC S-COMP
58311175000
Unavailable
3
WIRING HARNESS REAR EGS
58311376000
Unavailable
6
HEAD LAMP SWITCH WI.CABLE '9
54611470100
Unavailable
7
SWITCH SUPPORT MERIT
57011070050
Unavailable
8
BRACKET FOR CONNECTOR '93
54611083100
Unavailable
11
* RETAINING PLATE
15406032000
Unavailable
12
* RETAINING PLATE
58011031000
Unavailable
17
* FLASHER LIGHT BRACKET
54511046000
Unavailable
18
* FLASHER UNIT
44611207000
Unavailable
20
* CABLE TIE 180MM
44011076180
Unavailable
37
BRACKET FOR CAPACITOR
54611448000
Unavailable
60
DC HORN 12V NIKKO
54511060100
Unavailable
