- Partiron
- OEM Parts
- KTM
- Street
- Naked Bike
- Naked
- Naked Mid
- 620 Duke
- 620 Duke 1997
- 620 DUKE-E <1997>
ACCESSORIES
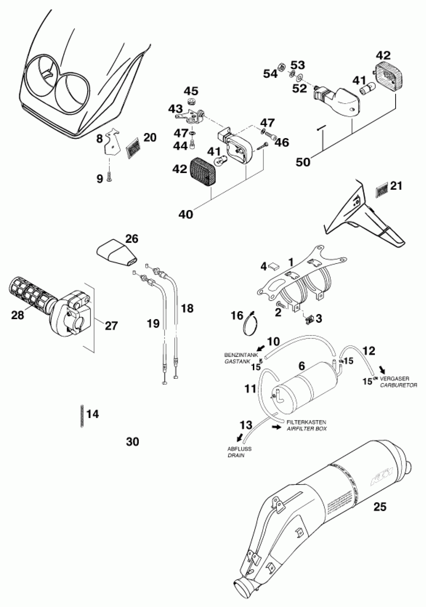
KTM 620 DUKE-E <1997> ACCESSORIES Diagram
#
Description
Price
0
FLASHER LIGHT CPL. "EIE" (DOT)
58311112100
Unavailable
0
FLASHER CPL. R/S FRONT '95
58311112200
Unavailable
0
FLASHER SUPPORT R/S DUKE'94
58311121100
Unavailable
0
BRACKET REFLECTOR R/S '95
58312181000
Unavailable
1
RETAINING BRACKET CPL. AK-FIL.
58307083044
Unavailable
4
* DAMPING RUBBER
54307010000
Unavailable
6
* EVAP CANISTER
58307080144
Unavailable
8
BRACKET REFLECTOR L/S '95
58312081000
Unavailable
11
FUEL HOSE VITON 7X2MM
58007016001
Unavailable
13
PVC-HOSE 4X6MM
31007007101
Unavailable
14
* SPRING 0,8X48 FOR CHOKECABLE
58031753400
Unavailable
15
YDNAC-CLAMP 10107 10MM
58007117000
Unavailable
16
* PLASTIC BAND
44011276000
Unavailable
20
* SIDE REFLECTOR ORANGE FRONT
16512180000
Unavailable
25
* SILENCER "KTM HGS2" USA
58305080400
Unavailable
27
THROTTLE GRIP RXC/DUKE USA '95
58302010200
Unavailable
30
CARBURETOR 38MM QWIK-SILVER II
58031701444
Unavailable
40
FLASHER LIGHT CPL.L/S FRONT'95
58311012200
Unavailable
43
FLASHER SUPPORT L/S DUKE'94
58311021100
Unavailable
50
FLASHER LIGHT CPL. "EIE" (DOT)
58311012100
Unavailable
54
HEXAGON NUT DIN0934-M10X1,25
0934102003
Unavailable
