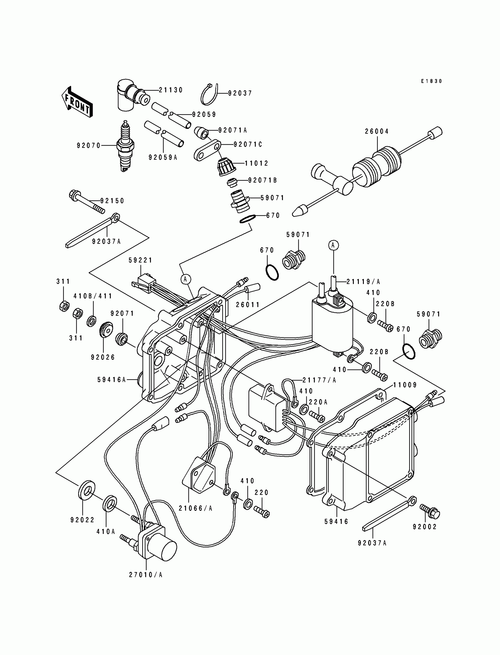
Kawasaki 550 SX Ignition System Diagram
#
Description
Price
21066A
REGULATOR-VOLTAGE
21066-3710
Unavailable
21119A
IGNITER
21119-3723
Unavailable
21177A
CONTROLLER
21177-3703
Unavailable
59221
CONNECTOR-CORD
59221-505
Unavailable
59416A
CASE-ELECTRIC,FR
59416-3004-YR
Unavailable
92059A
TUBE,7.5X10X130
92059-2154
Unavailable
92071C
GROMMET
92071-529
Unavailable
220
SCREW PAN HEAD 6X12
220B0612
Unavailable
