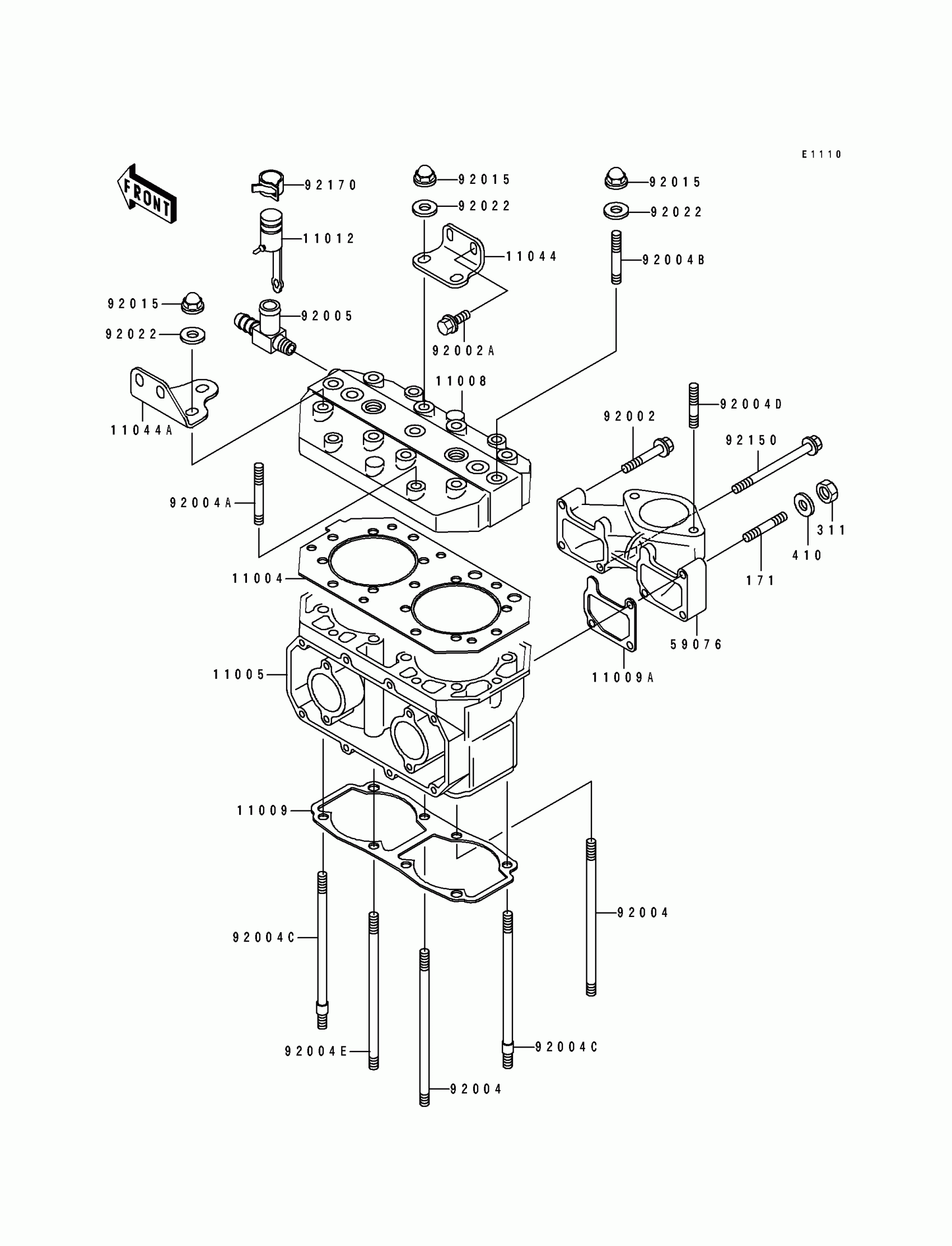
Kawasaki 550 SX Cylinder Head/Cylinder Diagram
#
Description
Price
11004
GASKET-HEAD
11004-3024
Unavailable
11005
CYLINDER-ENGINE
11005-3703
Unavailable
11008
HEAD-COMP-CYLINDER
11008-2059-YR
Unavailable
11009
GASKET,CYLINDER
11009-3054
Unavailable
11012
CAP
11012-3744
Unavailable
11044
BRACKET,CARBURETOR
11044-2074
Unavailable
11044A
BRACKET,MUFFLER
11044-2075
Unavailable
59076
MANIFOLD-INTAKE
59076-2052-YR
Unavailable
92004
STUD,8X170
92004-2084
Unavailable
92004A
STUD,8X42
92004-3016
Unavailable
92004B
STUD,8X50
92004-3017
Unavailable
92004C
STUD,8X167
92004-3020
Unavailable
92004D
STUD,8X27.5
92004-3022
Unavailable
92005
FITTING
92005-3704
Unavailable
