- Partiron
- OEM Parts
- Polaris
- ATV
- 2002
- 500 MAGNUM VL HDS - A02CD50FB
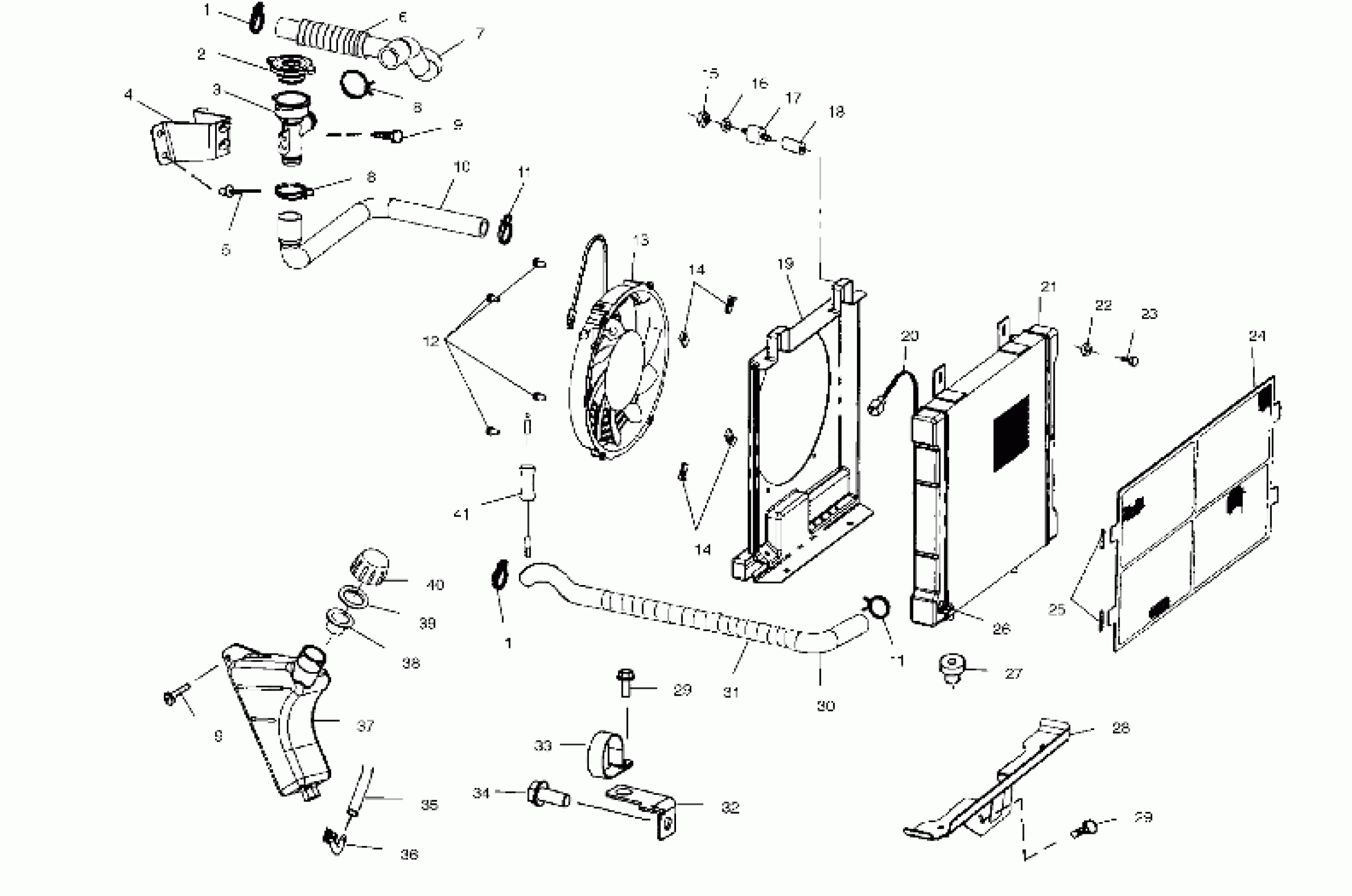
COOLING SYSTEM - A02CD50AA/AB/FB (4970197019A10)
Polaris 500 MAGNUM VL HDS - A02CD50FB COOLING SYSTEM - A02CD50AA/AB/FB (4970197019A10) Diagram
#
Description
Price
2
CAP-PRESSURE,13 PSI
1240044
Unavailable
4
BRKT,REMOTE COOLANT FILL
5243505-067
Unavailable
6
FLEXGUARD-PLASTIC GUARD
5433948
Unavailable
7
HOSE,UPPER ENGINE
5411794
Unavailable
8
CLAMP-ROTO SPRING 1 INCH
7080827
Unavailable
8
CLAMP-ROTO SPRING 1 INCH
7080827
Unavailable
10
HOSE,FILLER NECK
5411632
Unavailable
14
CLIP,U,ZY
7670111
Unavailable
14
CLIP,U,ZY
7670111
Unavailable
19
SHROUD-FAN,ATV
5433059
Unavailable
21
Radiator
1240045
Unavailable
26
VALVE-PLASTIC RAD/COOLER DRAIN
7052296
Unavailable
26
O-RING,BUNA [No Longer Available]
5411633
Unavailable
28
BRKT,RADIATOR,LOWER,BLK
5244687-067
Unavailable
30
HOSE,LOWER ENGINE
5411694
Unavailable
32
BRACKET-COOLANT HOSE MOUNT,BLK
5244064-067
Unavailable
34
Screw (See Front Housing Pg C10 Ref. 17) (See Front Housing Pg C10 Ref. 17)
-------
Unavailable
37
TANK,SURGE
5433410
Unavailable
