- Partiron
- OEM Parts
- Polaris
- ATV
- 2001
- 500 MAGNUM 500 HDS - A01CD50FB
ELECTRICAL/TAILLIGHT - A01CD50AA (4964196419C006)
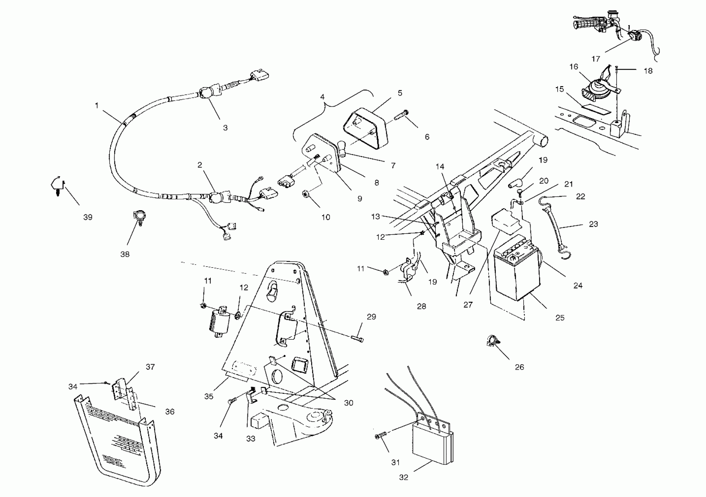
Polaris 500 MAGNUM 500 HDS - A01CD50FB ELECTRICAL/TAILLIGHT - A01CD50AA (4964196419C006) Diagram
#
Description
Price
1
HARNESS-WIRE,MAIN,MAG 500 (AA)
2460814
Unavailable
15
PAD,FUELTANK BRKT. Substituted by 8360026 (FB)
5810317
Unavailable
16
HORN (FB)
4010310
Unavailable
19
CABLE,BATT/SOLENOID,RED
4010094
Unavailable
19
CABLE,BATT/SOLENOID,RED
4010094
Unavailable
21
CABLE,BATT/ENG.,BLK.
4010095
Unavailable
23
STRAP,BATTERY HOLDDOWN
5410424
Unavailable
24
TUBE,BATTERY VENT
5432077
Unavailable
32
LIMITER-SPEED 680 HZ,CONN (FB)
4010608
Unavailable
35
Trim, Edge
8360012-10
Unavailable
36
HEATSINK RECT.
5131036
Unavailable
37
RECTIFIER,FULL WAVE
4060173
Unavailable
