- Partiron
- OEM Parts
- Polaris
- ATV
- 2003
- 500 MAGNUM 4X4 HDS - A03CD50FB
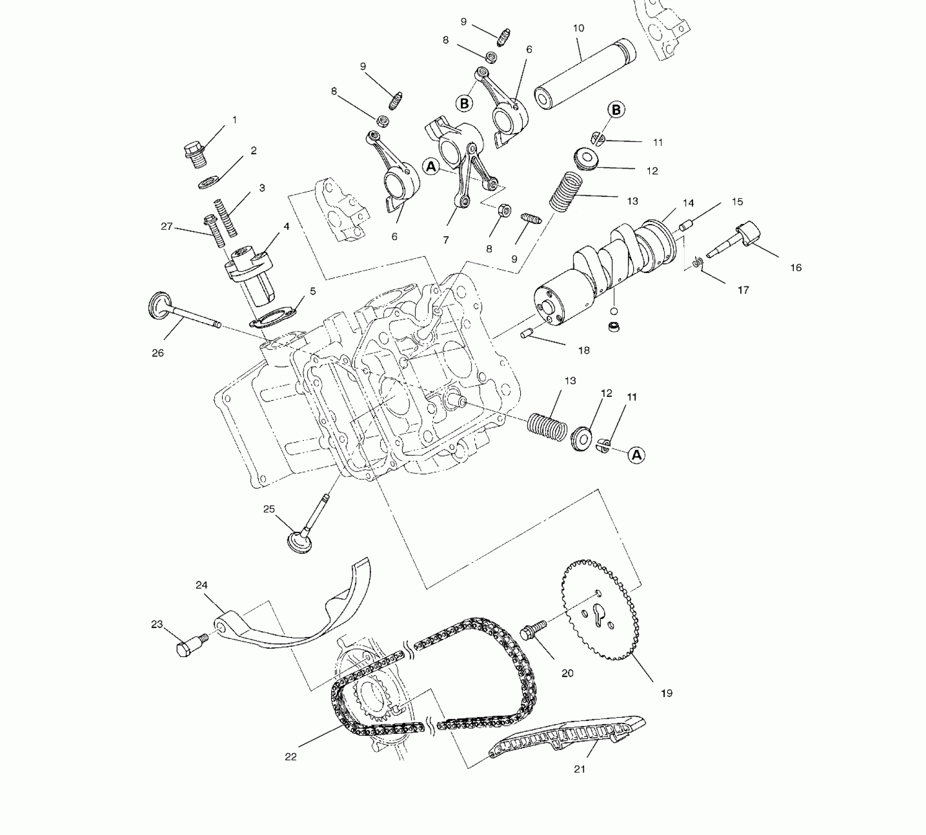
INTAKE AND EXHAUST - A03CD50FB (4986088608D07)
Polaris 500 MAGNUM 4X4 HDS - A03CD50FB INTAKE AND EXHAUST - A03CD50FB (4986088608D07) Diagram
#
Description
Price
1
PLUG
3084845
Unavailable
2
Gasket, Plug
3084920
Unavailable
3
Spring, Tensioner
3086839
Unavailable
4
Asm., Tensioner [Incl. 1-3]
3086813
Unavailable
5
Gasket, Tensioner
3084922
Unavailable
12
RETAINER, SPRING
3087203
Unavailable
12
RETAINER, SPRING
3087203
Unavailable
13
Spring, Valve
3084906
Unavailable
13
Spring, Valve
3084906
Unavailable
16
LEVER, RELEASE
3085348
Unavailable
17
SPRING, RETURN
3085076
Unavailable
21
GUIDE, CHAIN
3084916
Unavailable
23
Bolt, Pivot
3084924
Unavailable
27
BOLT, FLANGE
3084874
Unavailable
