- Partiron
- OEM Parts
- Polaris
- ATV
- 2003
- 500 MAGNUM 4X4 HDS - A03CD50FB
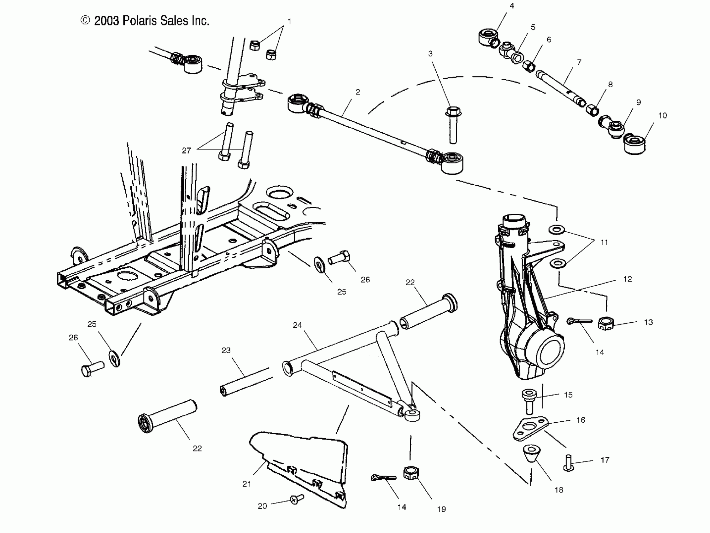
A-ARM/STRUT MOUNTING - A03CD50FB (4987438743B06)
Polaris 500 MAGNUM 4X4 HDS - A03CD50FB A-ARM/STRUT MOUNTING - A03CD50FB (4987438743B06) Diagram
#
Description
Price
2
Asm., Tie Rod
1820805
Unavailable
4
Boot, Seal, Rod End
5411291
Unavailable
9
Rod End, LH
7061054
Unavailable
10
Boot, Seal, Rod End
5411920
Unavailable
12
ASM., HUBSTRUT [SEE FRONT STRUT PAGE FOR DETAILS]
-------
Unavailable
18
Boot, Rubber
5410548
Unavailable
21
Shield, CV Joint, RH
5433928-070
Unavailable
21
Shield, CV Joint, LH
5433927-070
Unavailable
