50 SX SENIOR 2000
Special tools (engine)
FRONT FORK, TRIPLE CLAMP
HANDLEBAR, CONTROLS
FRAME
SWING ARM
EXHAUST SYSTEM
TANK, SEAT
MASK, FENDERS
DECAL
FRONT WHEEL
ACCESSORIES
ENGINE CASE
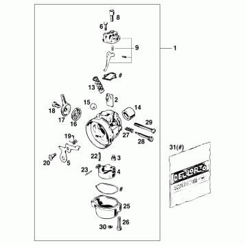
CARBURETOR
Fuel Your Passion
Parts That Keep You Riding
Edit ride