50 SX PRO JUNIOR LC 2004
FRONT FORK, TRIPLE CLAMP
Special tools (engine)
HANDLEBAR, CONTROLS
FRAME
SHOCK ABSORBER DISASSEMBLED
SWING ARM
EXHAUST SYSTEM
TANK, SEAT
MASK, FENDERS
DECAL
FRONT WHEEL
REAR WHEEL
FRONT BRAKE CONTROL
REAR BRAKE CONTROL
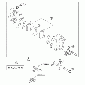
FRONT BRAKE CALIPER
ENGINE CASE
CYLINDER
CRANKSHAFT, PISTON
CARBURETOR
CLUTCH
TRANSMISSION II - COUNTERSHAFT
KICK STARTER
COOLING SYSTEM
IGNITION SYSTEM
Fuel Your Passion
Parts That Keep You Riding
Edit ride