- Partiron
- OEM Parts
- KTM
- Offroad
- Mini
- Mini MX
- 2 stroke
- 50 SX Mini
- 50 SX Mini 2013
- 50 SX MINI 2013
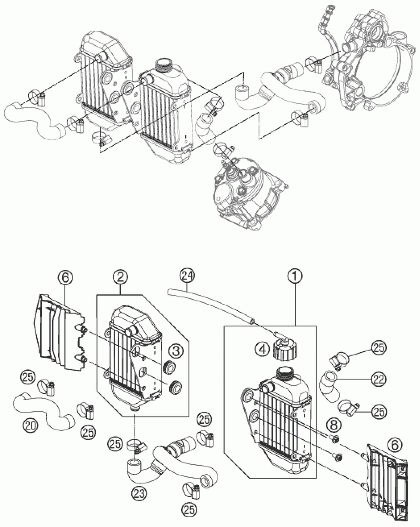
COOLING SYSTEM
KTM 50 SX MINI 2013 COOLING SYSTEM Diagram
#
Description
Price
COOLING SYSTEM
#
Edit ride
