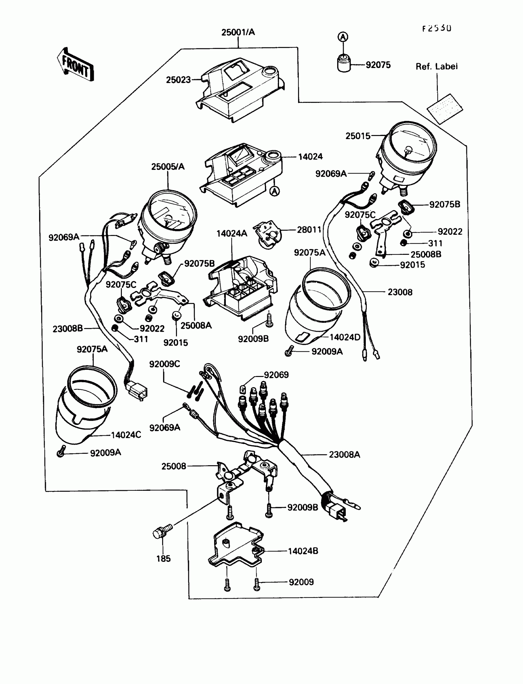
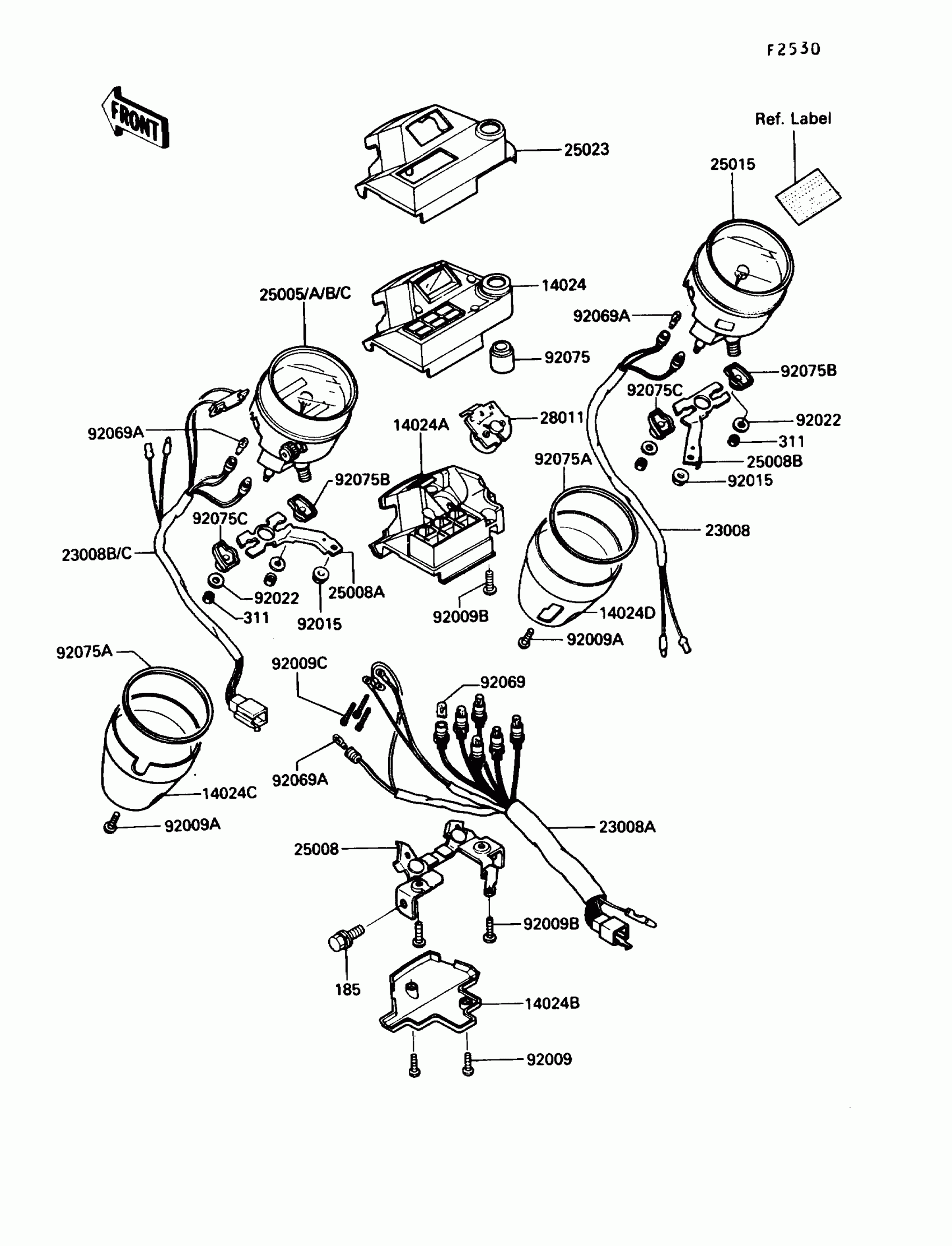
Kawasaki 454 LTD Meter(s) Diagram
#
Description
Price
14024D
COVER,TACHOMETER
14025-1748
Unavailable
25005B
SPEEDOMETER,KPH
25005-1395
Unavailable
25015
TACHOMETER,(X1000R/MIN)
25015-1236
Unavailable
92015
NUT,FLANGED,6MM
92015-1193
Unavailable
