Partiron

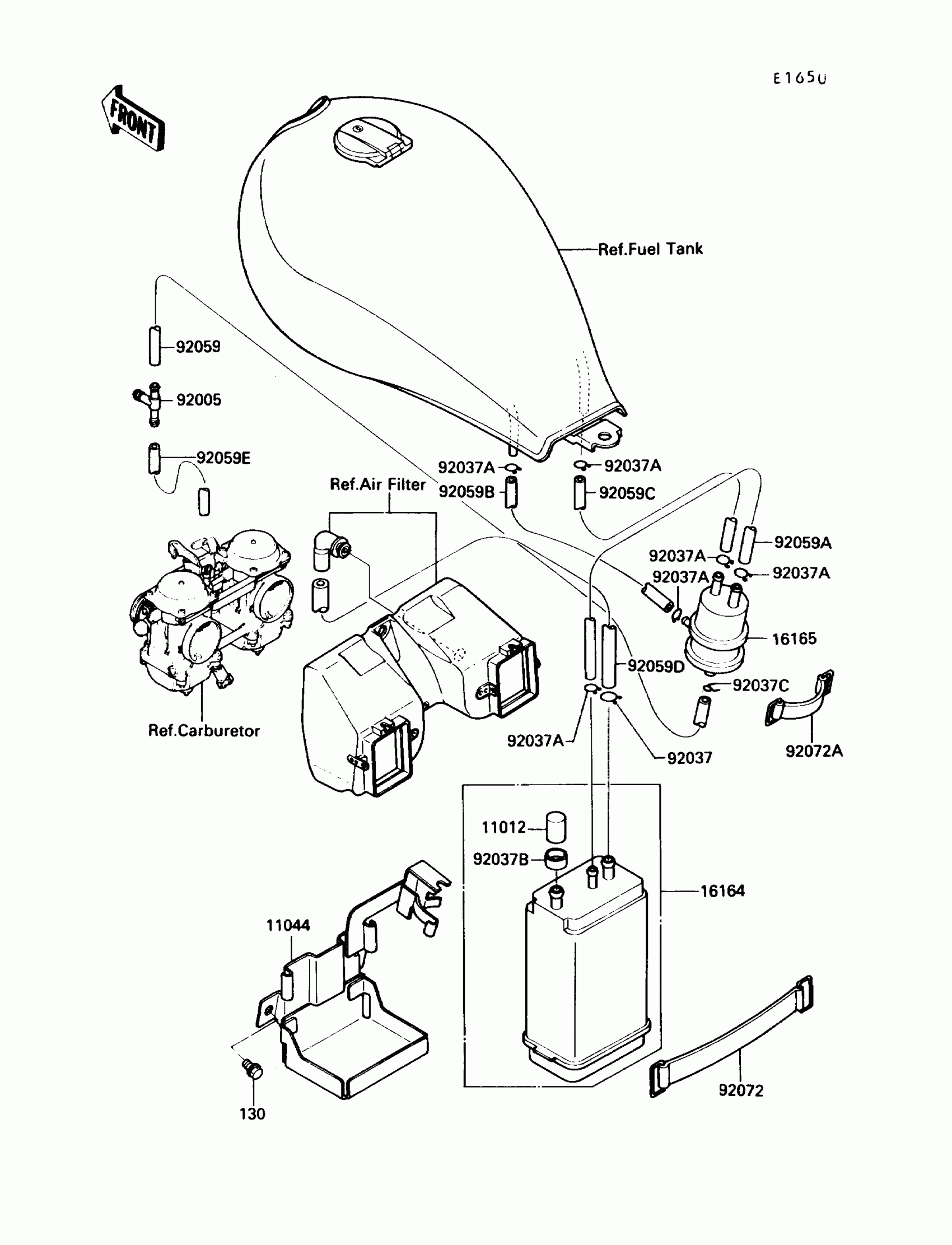
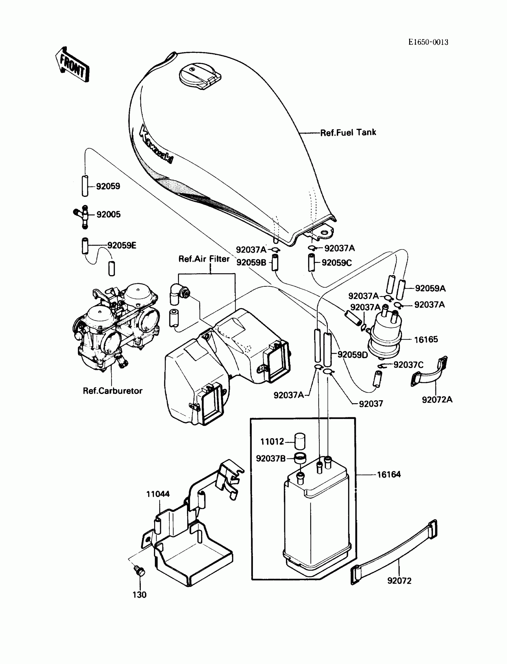
Kawasaki 454 LTD Fuel Evaporative System Diagram

#

Description
Price

11012

CAP,CANISTER

11012-1388

$8.51

11044

BRACKET,CANISTER

11043-1184

$60.55

16164

CANISTER

16164-1054

$130.07

16165

SEPARATOR

16165-1001

$90.01

92005

FITTING,TUBE,T-TYPE

92005-1017

Unavailable

92037

CLAMP-HOSE

92037-1104

$1.45

92037A

CLAMP,TUBE

92037-147

$7.34

92037B

CLAMP,CANISTER

92037-1512

$6.57

92037C

CLAMP

92037-1712

$5.00

92059

TUBE,4X9X650,WHITE

92059-1405

$19.09

92059A

TUBE,5X10X170,BLUE

92059-1496

$23.01

92059B

TUBE,5X10X610,RED

92059-1526

$23.01

92059C

TUBE,5X10X550,BLUE

92059-1589

$23.01

92059D

TUBE,7X12X315,GREEN

92059-1590

$12.96

92059E

TUBE,4X9X100,WHITE

92059-1591

$11.38

92072

BAND,L=142.1

92072-006

$12.76

92072A

BAND,L=50

92072-066

$16.08

130

BOLT-FLANGED

130J0610

$2.33