Partiron

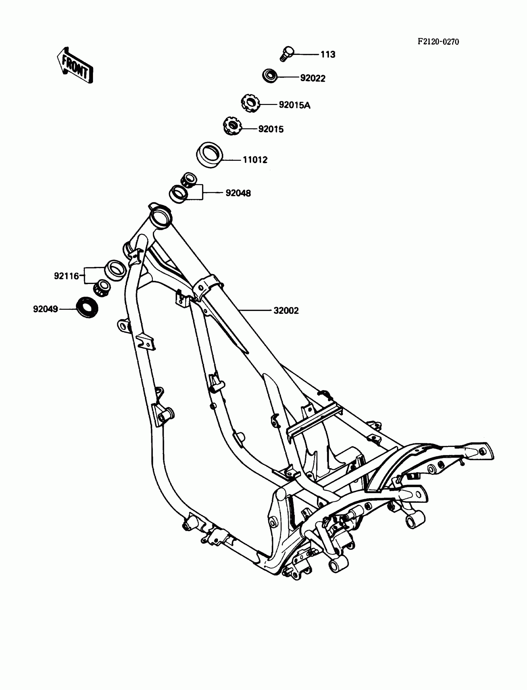
Kawasaki 454 LTD Frame Diagram

#

Description
Price

11012

CAP,STEERING STEM

46098-017

$6.16

32002

FRAME-COMP

32002-1828

$1,116.46

92015

NUT,25MM,T=10

92015-1377

$27.29

92015A

NUT,25MM,T=6

92015-1378

$20.96

92022

WASHER

92022-1229

$11.50

92048

RACE,ROLLER,32005JR RS

92047-017

$43.75

92049

SEAL-OIL,XMHE36X52X4J

92049-1162

$9.28

92116

BEARING-ROLLER,HR320/28XJ

92116-1009

$36.32

113

BOLT-SMALL-FINE,14X25

113G1425

Unavailable