- Partiron
- OEM Parts
- KTM
- Offroad
- MX
- MX1
- 4 stroke
- 450 SX-F
- 450 SX-F 2007
- 450 SX-F 2007
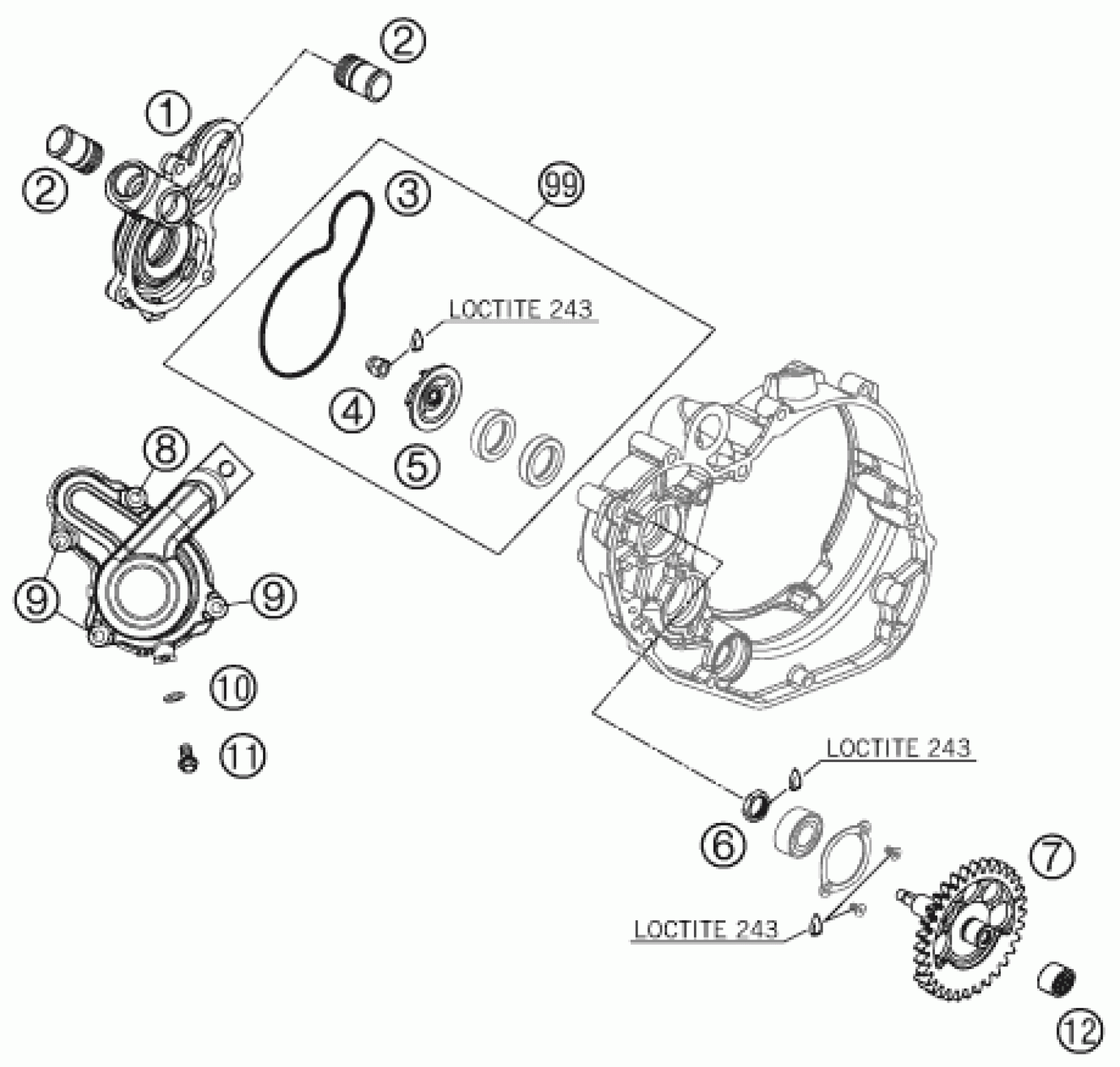
WATER PUMP
KTM 450 SX-F 2007 WATER PUMP Diagram
#
Description
Price
99
WATER PUMP REP. KIT 07-12
77335055010
Unavailable
