- Partiron
- OEM Parts
- Polaris
- ATV
- 1994
- 400L 6X6 - W948740
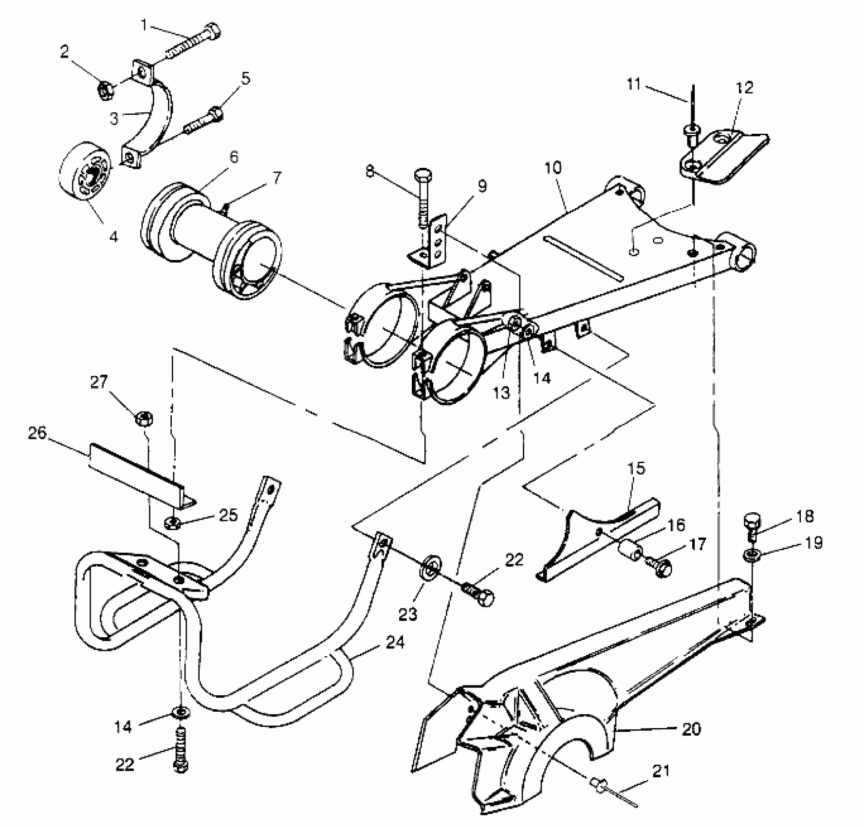
SWING ARM/GUARD MOUNTING 6x6 400L W948740 (4926802680C005)
Polaris 400L 6X6 - W948740 SWING ARM/GUARD MOUNTING 6x6 400L W948740 (4926802680C005) Diagram
#
Description
Price
1
BOLT(10)
7512569
Unavailable
3
BRKT,SWING ARM EXT.
1580067-067
Unavailable
6
HOUSING, AXLE
5130663
Unavailable
9
BRKT,CHAIN GUARD,BLK.
5222220-067
Unavailable
10
Weld., Swing Arm (See Pg. A32, Ref. 17)
-------
Unavailable
18
SCREW(10)
7512252
Unavailable
19
WASHER(10) Substituted by 7558301
7555776
Unavailable
20
GUARD, CHAIN Substituted by 5431102
2640009
Unavailable
24
GUARD, RACK Substituted by 1040183-132
1040183-067
Unavailable
