- Partiron
- OEM Parts
- Polaris
- ATV
- 1994
- 400L 6X6 - W948740
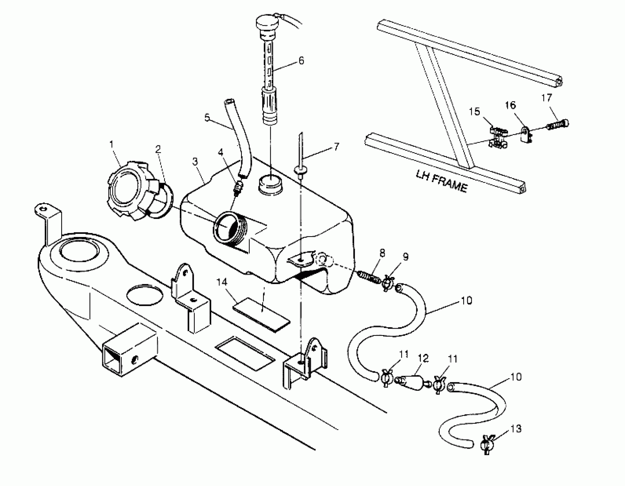
OIL TANK ASSEMBLY 6x6 400L W948740 (4926802680A013)
Polaris 400L 6X6 - W948740 OIL TANK ASSEMBLY 6x6 400L W948740 (4926802680A013) Diagram
#
Description
Price
3
TANK, OIL
5431066
Unavailable
5
FUEL LINE,1/8 ID,600 CM.
8360009-600
Unavailable
9
CLAMP-HOSE(10)
7080134
Unavailable
10
FUEL LINE,1/4 ID(1525 CM.)
8450003-1525
Unavailable
10
FUEL LINE,1/4 ID(1525 CM.)
8450003-1525
Unavailable
13
CLAMP,OIL LINE(300 ATV)(10)
7080568
Unavailable
14
PAD,FUELTANK BRKT. Substituted by 8360026
5810317
Unavailable
16
MOUNT,TIE ANCHOR(10)
7080526
Unavailable
17
SCREW(10)
7511856
Unavailable
