- Partiron
- OEM Parts
- Polaris
- ATV
- 1995
- 400L 2X4 - W957540
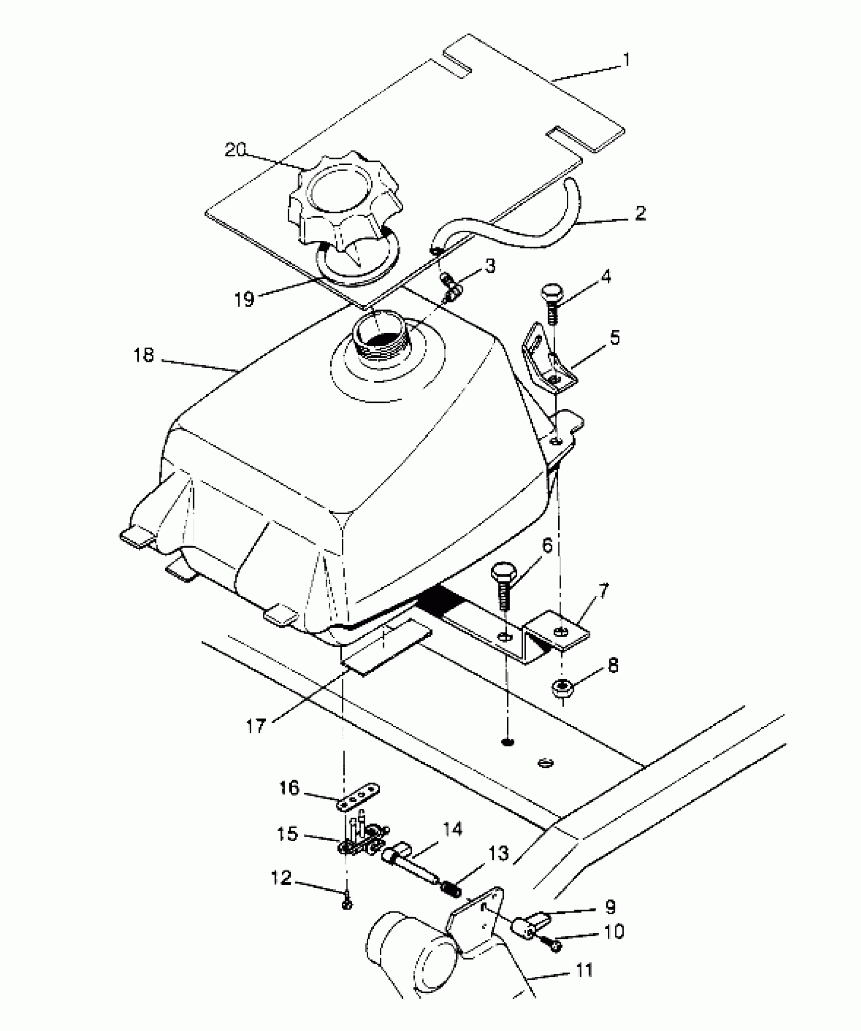
FUEL TANK ASSEMBLY 2x4 400L W957540 (4930093009A012)
Polaris 400L 2X4 - W957540 FUEL TANK ASSEMBLY 2x4 400L W957540 (4930093009A012) Diagram
#
Description
Price
1
PAD, SILENCER
5810423
Unavailable
2
FUEL LINE,1/8 ID,600 CM.
8360009-600
Unavailable
5
BRKT,LH.R.FUELCOVER,BLK.
5222154-067
Unavailable
5
BRKT,RH.R.FUELCOVER,BLK.
5222155-067
Unavailable
7
BRKT,R.TANK MT,BLK.
5220916-067
Unavailable
10
SCREW(10)
7511840
Unavailable
17
PAD,BULK FUEL
8360026
Unavailable
18
TANK,FUEL Substituted by 2511323
5430968
Unavailable
