400 SX RACING 2000
FRONT FORK, TRIPLE CLAMP
Special tools (engine)
FRONT FORK DISASSEMBLED
HANDLEBAR, CONTROLS
FRAME
SHOCK ABSORBER
SWING ARM
EXHAUST SYSTEM
MAIN SILENCER
AIR FILTER
TANK, SEAT
MASK, FENDERS
DECAL
FRONT WHEEL
REAR WHEEL
ACCESSORIES
FRONT BRAKE CONTROL
REAR BRAKE CONTROL
FRONT BRAKE CALIPER
ENGINE CASE
BALANCER SHAFT
CYLINDER
CRANKSHAFT, PISTON
CARBURETOR
CLUTCH
TRANSMISSION I - MAIN SHAFT
TRANSMISSION II - COUNTERSHAFT
KICK STARTER
SHIFTING MECHANISM
COOLING SYSTEM
VALVE DRIVE
TIMING DRIVE
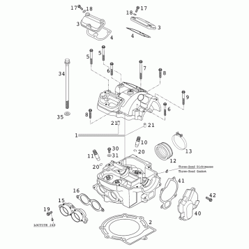
CYLINDER HEAD
LUBRICATING SYSTEM
IGNITION SYSTEM
Fuel Your Passion
Parts That Keep You Riding
Edit ride