- Partiron
- OEM Parts
- Ski-Doo
- 2018
- SKI-DOO - TUNDRA Series
- TUNDRA WT 550F, 2018
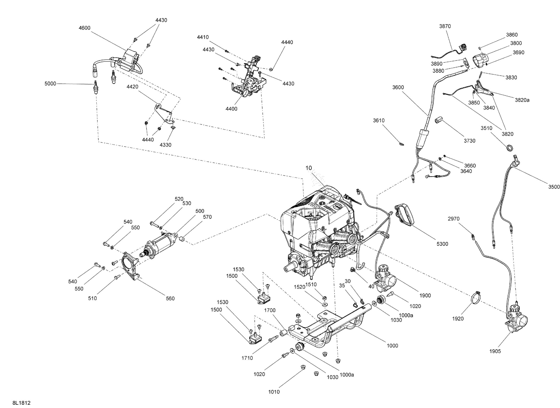
Engine Tundra - 550F
Ski-Doo TUNDRA WT 550F, 2018 Engine Tundra - 550F Diagram
#
Description
Price
10
Not Available As Spare Part - Friction Washer
Unavailable
