- Partiron
- OEM Parts
- Polaris
- ATV
- 1993
- 350L 6X6 - W938739
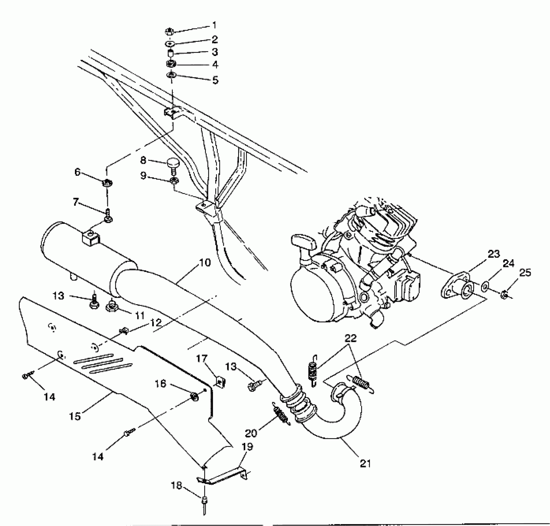
EXHAUST SYSTEM 6X6 350L W938739 (4924062406007A)
Polaris 350L 6X6 - W938739 EXHAUST SYSTEM 6X6 350L W938739 (4924062406007A) Diagram
#
Description
Price
5
BUSHING(10)
7555781
Unavailable
6
DAMPENER
5410241
Unavailable
8
MOUNT, MOTOR
3110030
Unavailable
10
EXHAUST WELD,(350-6X6)BLK.
1260616-029
Unavailable
12
NUT, RETAINER(10)
7542141
Unavailable
15
HEATSHIELD ASM.
1260620
Unavailable
16
WASHER(10) Substituted by 7558301
7555776
Unavailable
19
BRKT,BLK,HEATSHIELD
5240179-067
Unavailable
21
HEADPIPE WELD.
1260549-029
Unavailable
23
MANIFOLD, BLK.
1260543-029
Unavailable
25
NUT(10)
3080285
Unavailable
