- Partiron
- OEM Parts
- Polaris
- ATV
- 1993
- 350L 4X4 - W938139
EXHAUST SYSTEM 4X4 350L W938139 (4924052405006A)
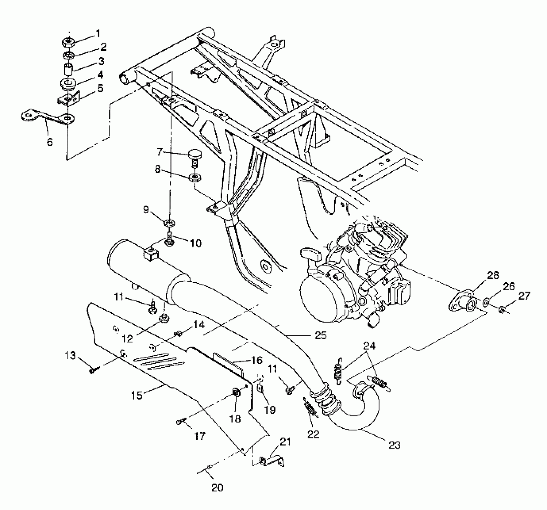
Polaris 350L 4X4 - W938139 EXHAUST SYSTEM 4X4 350L W938139 (4924052405006A) Diagram
#
Description
Price
4
DAMPENER
5410241
Unavailable
5
BRKT,RH SUPPORT RACK Substituted by 5243469-067
5220901-067
Unavailable
7
MOUNT, MOTOR
3110030
Unavailable
14
NUT, RETAINER(10)
7670071
Unavailable
15
SHIELD ASM,MUFFLER
2200396
Unavailable
18
WASHER(10) Substituted by 7558301
7555776
Unavailable
23
HEADPIPE WELD.
1260549-029
Unavailable
25
EXHAUST WELD,BLK,(350)
1260588-029
Unavailable
27
NUT(10)
3080285
Unavailable
28
MANIFOLD, BLK.
1260543-029
Unavailable
