Polaris 350L 2X4 - W937539 OIL PUMP 2X4 350L W937539 (4924032403034A) Diagram
#
Description
Price
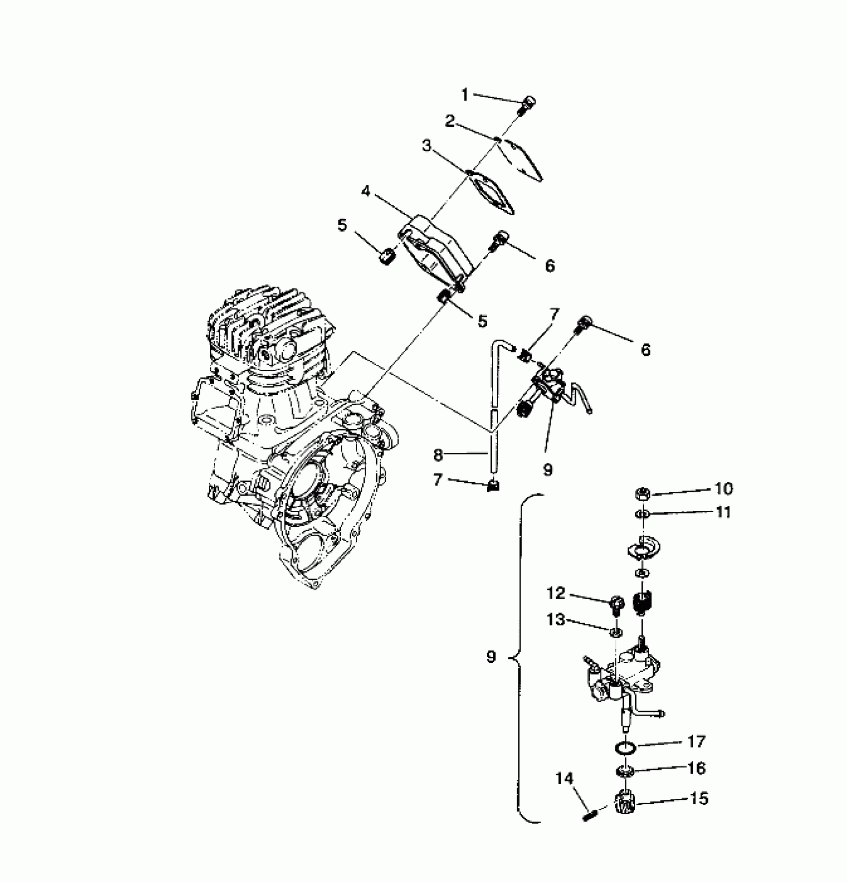
2
COVER (Oil Pump Case)
3084204
Unavailable
3
GASKET,OIL PUMP (Oil Pump Case)
3084401
Unavailable
5
GROMMET Substituted by 3086777
3084201
Unavailable
5
GROMMET Substituted by 3086777
3084201
Unavailable
8
PIPE, RUBBER Substituted by 3086776
3084199
Unavailable
9
PUMP, OIL (Incl. 10-17)
3084193
Unavailable
9
PUMP, OIL (Incl. 10-17)
3084193
Unavailable
12
SCREW-AIR VENT
3083125
Unavailable
14
Pin, Spring
3084197
Unavailable
15
Wheel
3084196
Unavailable
16
Spacer
3084195
Unavailable
17
O RING
3083127
Unavailable
