Partiron

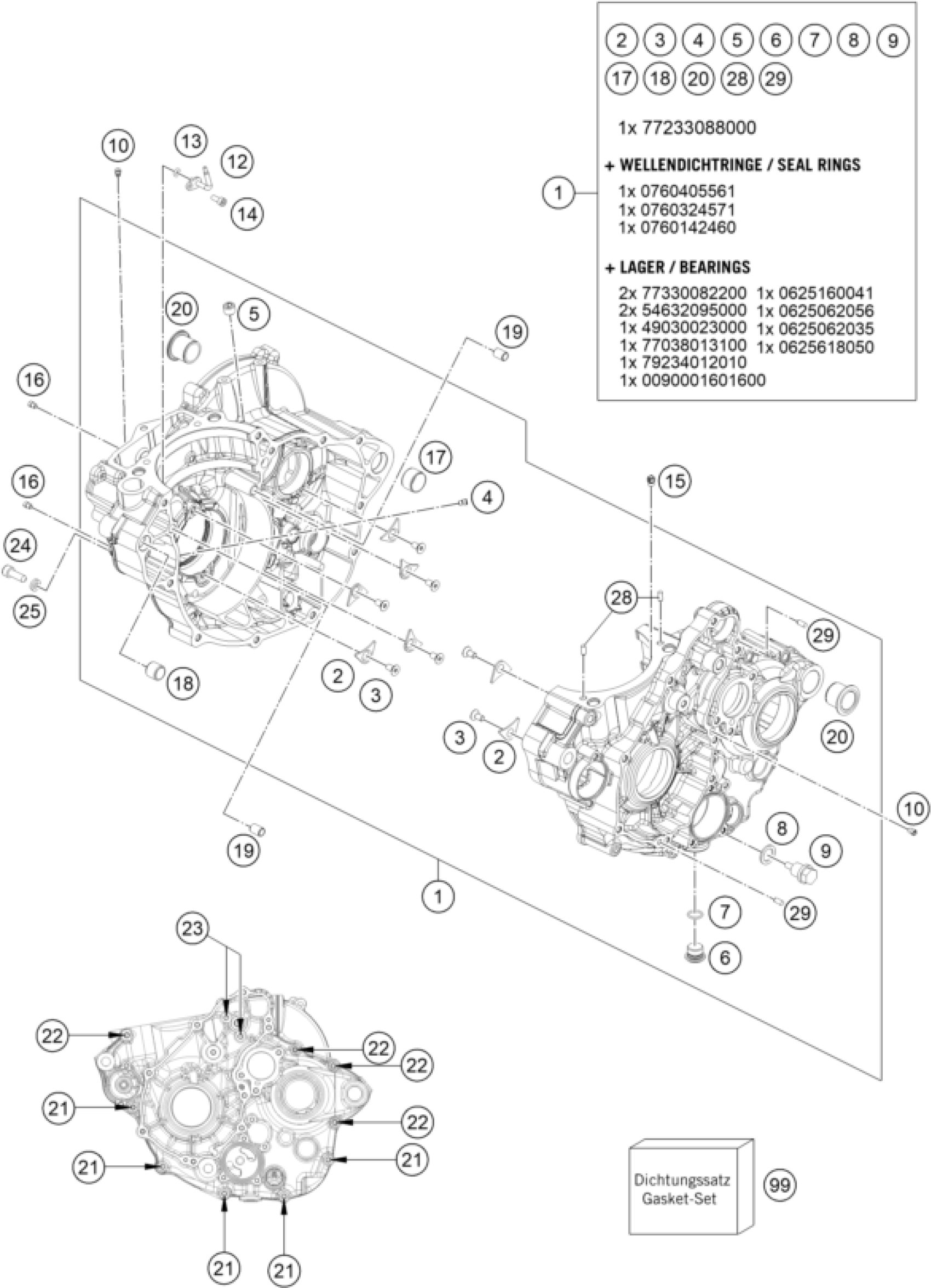
KTM 350 XCF-W 2022 ENGINE CASE Diagram

#

Description
Price

1

Engine case cmpl.

79330000144

$2,061.67

2

Retaining bracket crankshaft b

75030085100

$1.49

3

INT. TORX FLAT HEAD M5X12 T25

0019050121S

$2.05

4

Nozzle

79330058040

$8.97

5

pipe plug DIN 906 M10x1

0906100100

$4.11

6

HOLDING BOLT M14X1,5

78036081000

$3.08

7

O-ring 11x1.5 VITON

0770110015

$5.23

8

CU-seal ring DIN7603-12X18X1.5

58038022000

$2.05

9

oildrain plug with magnet

58030021100

$11.30

10

OIL JET ''60'' M4

80030058060

$11.87

12

OIL JET CURVED '' 70 ''

77830064070

$10.93

13

O-RING 3,5X2,00 NBR

0770035020

$1.49

14

Cylinder screw DIN 912-M4x10-8

0912040103S

$1.49

15

oil jet 70 M5

60030063070

$8.59

16

JET 100 BING(44-031/180) M4

59030058000

$4.11

17

DOWEL 17 X 19 X 12

59030024000

$5.23

18

DOWEL BUSHING 13,8X11X12

54630027000

$6.91

19

Dowel, 6x8x11.5

59030023100

$1.49

20

Housing bush

79230010000

$11.87

21

HH collar screw M6x55 TX30

0025060556

$3.08

22

HH COLLAR SCREW M6X65 TX30

0025060656

$2.05

23

HH COLLAR SCREW M6X70 TX30

0025060706

$3.08

24

LOCATING SCREW M8 L=23

58030080000

$17.66

25

CU-SEAL RING 8 X 14 X 3

58030081000

$2.05

28

CYLINDER ROLLER ZRO 5X8

0402050080

$2.05

29

Needle roll.DIN5402 NRB 4X9.8

0402040980

$3.08

99

Engine seal kit

79330099000

$248.05