Partiron

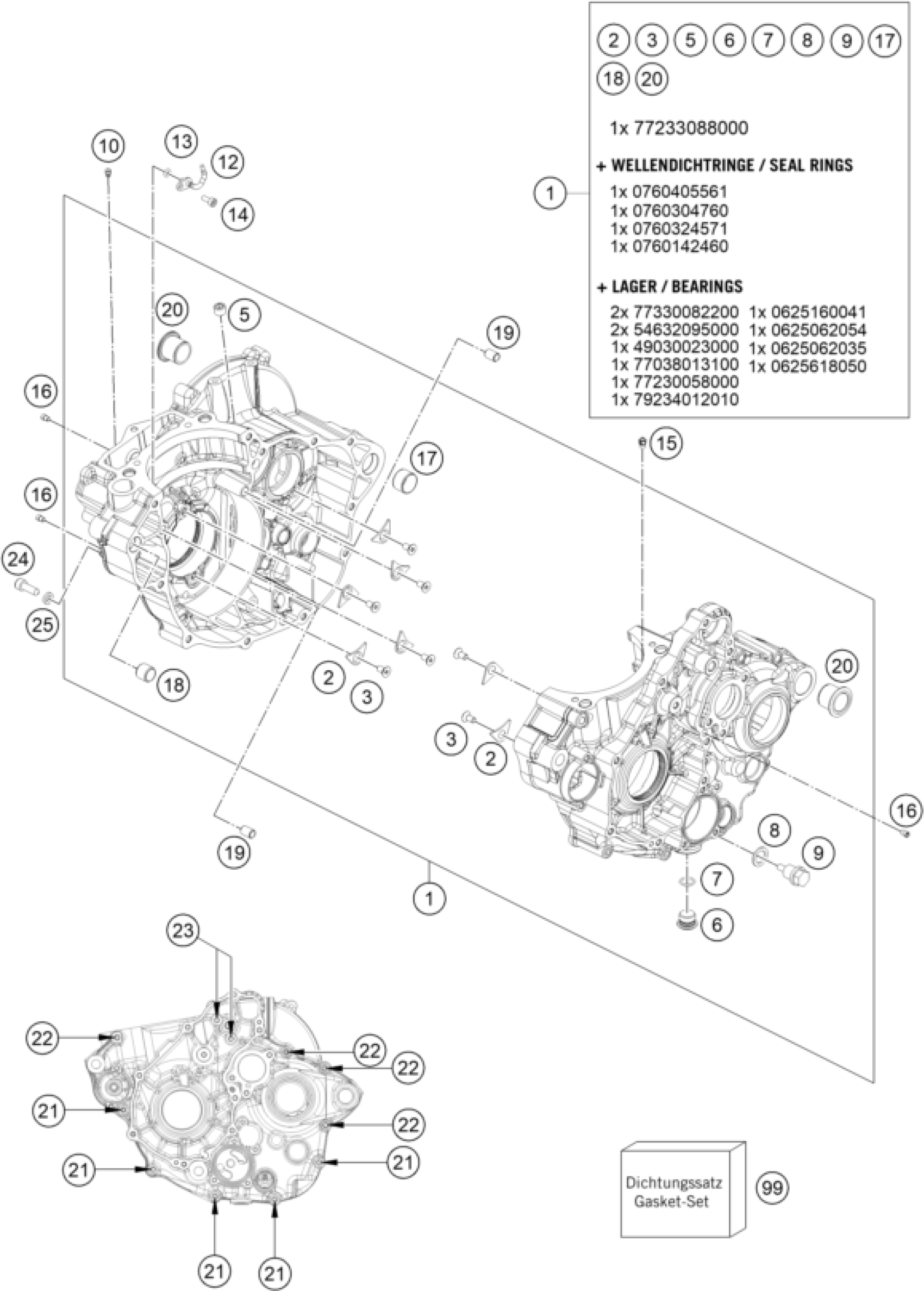
KTM 350 XC-F 2016 ENGINE CASE Diagram

#

Description
Price

1

ENGINE CASE CPL.

79230000033

$1,354.25

2

RETAINING PLATE F. CS BEARING

75030085000

$1.49

3

INT. TORX FLAT HEAD M5X12 T25

0019050121S

$2.05

5

pipe plug DIN 906 M10x1

0906100100

$4.11

6

HOLDING BOLT M14X1,5

78036081000

$3.08

7

O-ring 11x1.5 VITON

0770110015

$5.23

8

CU-seal ring DIN7603-12X18X1.5

58038022000

$2.05

9

OILDRAIN PLUG W.MAG. M 12X1,5

58030021000

$11.30

10

OIL JET ''60'' M4

80030058060

$11.87

12

OIL JET CURVED '' 70 ''

77830064070

$10.93

13

O-RING 3,5X2,00 NBR

0770035020

$1.49

14

AH.SCREW DIN0912-M 4X10

0912040103

$2.05

15

oil jet 50 M5

60030063050

$9.44

16

JET 100 BING(44-031/180) M4

59030058000

$4.11

17

DOWEL 17 X 19 X 12

59030024000

$5.23

18

DOWEL BUSHING 13,8X11X12

54630027000

$6.91

19

dowel sleeve 6x8x11.5

59030023000

$1.49

20

Housing bush

79230010000

$11.87

21

HH collar screw M6x55 TX30

0025060556

$3.08

22

HH COLLAR SCREW M6X65 TX30

0025060656

$2.05

23

HH COLLAR SCREW M6X70 TX30

0025060706

$3.08

24

LOCATING SCREW M8 L=23

58030080000

$17.66

25

CU-SEAL RING 8 X 14 X 3

58030081000

$2.05

99

GASKET KIT ENGINE 350 SXF/XCF

79230099100

$324.90