- Partiron
- OEM Parts
- Polaris
- ATV
- 2000
- 325 MAGNUM 4X4 HDS - A00CD32FA
A-ARM/STRUT MOUNTING - A00CD32AA (4949404940B013)
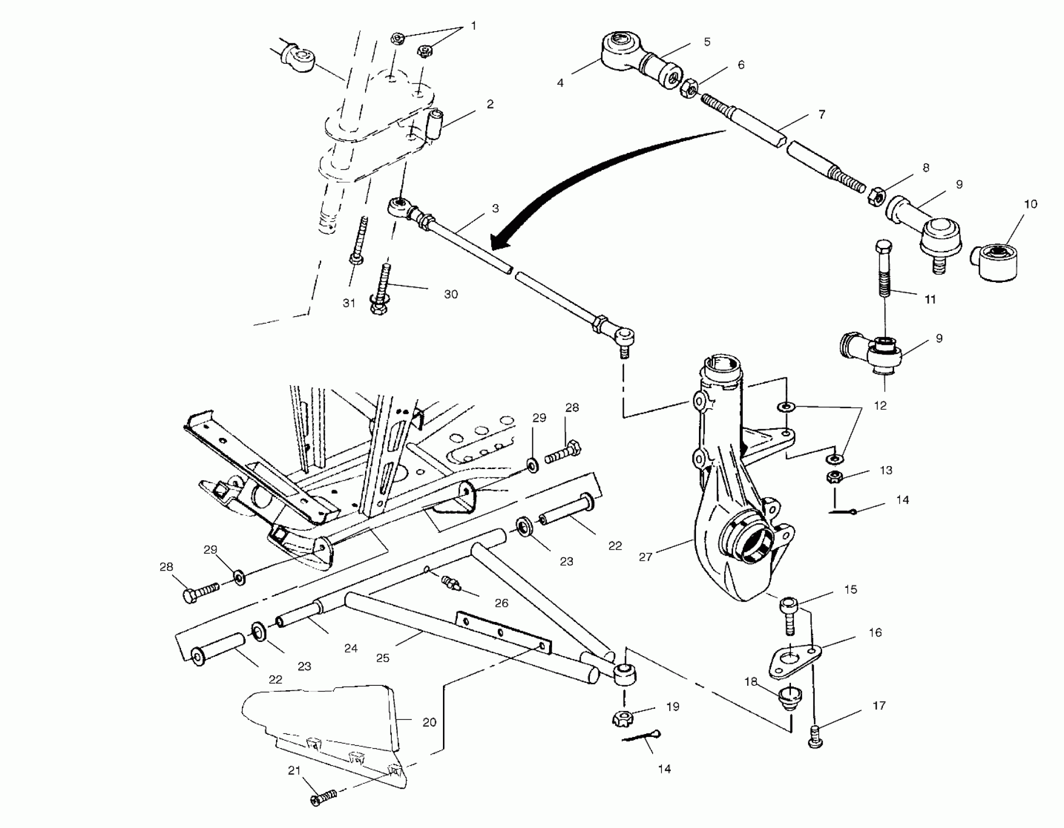
Polaris 325 MAGNUM 4X4 HDS - A00CD32FA A-ARM/STRUT MOUNTING - A00CD32AA (4949404940B013) Diagram
#
Description
Price
3
TIEROD ASM,1/2-20X13.40 Substituted by 2201741 (Incl. 4-9)(If Built before 8/16/99)
1820567
$157.84
3
TIE,ROD,1/2-20X13.4,ASM. (Incl. 4-9)(If Built after 8/16/99)
1820805
Unavailable
4
SEAL,BOOT,ROD END,1/2 IN
5411291
Unavailable
9
ROD,END,10MM,1/2-20LH,42 DEG (If built after 8/16/99)
7061054
Unavailable
9
ROD,END,10MM,1/2-20LH,42 DEG (If built after 8/16/99)
7061054
Unavailable
10
BOOT,SEAL,ROD END,10MM
5411920
Unavailable
11
BOLT-M10X1.25X57 HX WASH HD Substituted by 7517909 (If built after 8/16/99)
7517674
Unavailable
18
Boot, Rubber
5410548
Unavailable
20
SHIELD,LH CV JOINT Substituted by 5431150-070
5431150
Unavailable
24
Shaft, A-Arm
5020681
Unavailable
25
A-FRAME,KIT,RH (1541445)
2201610
Unavailable
27
Asm., Heavy Hubstrut (See Front Strut Pg. B6, Ref. 15)
-------
Unavailable
